EasyManua.ls Logo

Dunkirk XEB-4 - Wiring Diagrams; Control Module Wiring

Dunkirk XEB-4
40 pages
Print Icon
To Next Page IconTo Next Page
To Next Page IconTo Next Page
To Previous Page IconTo Previous Page
To Previous Page IconTo Previous Page
Loading...
23
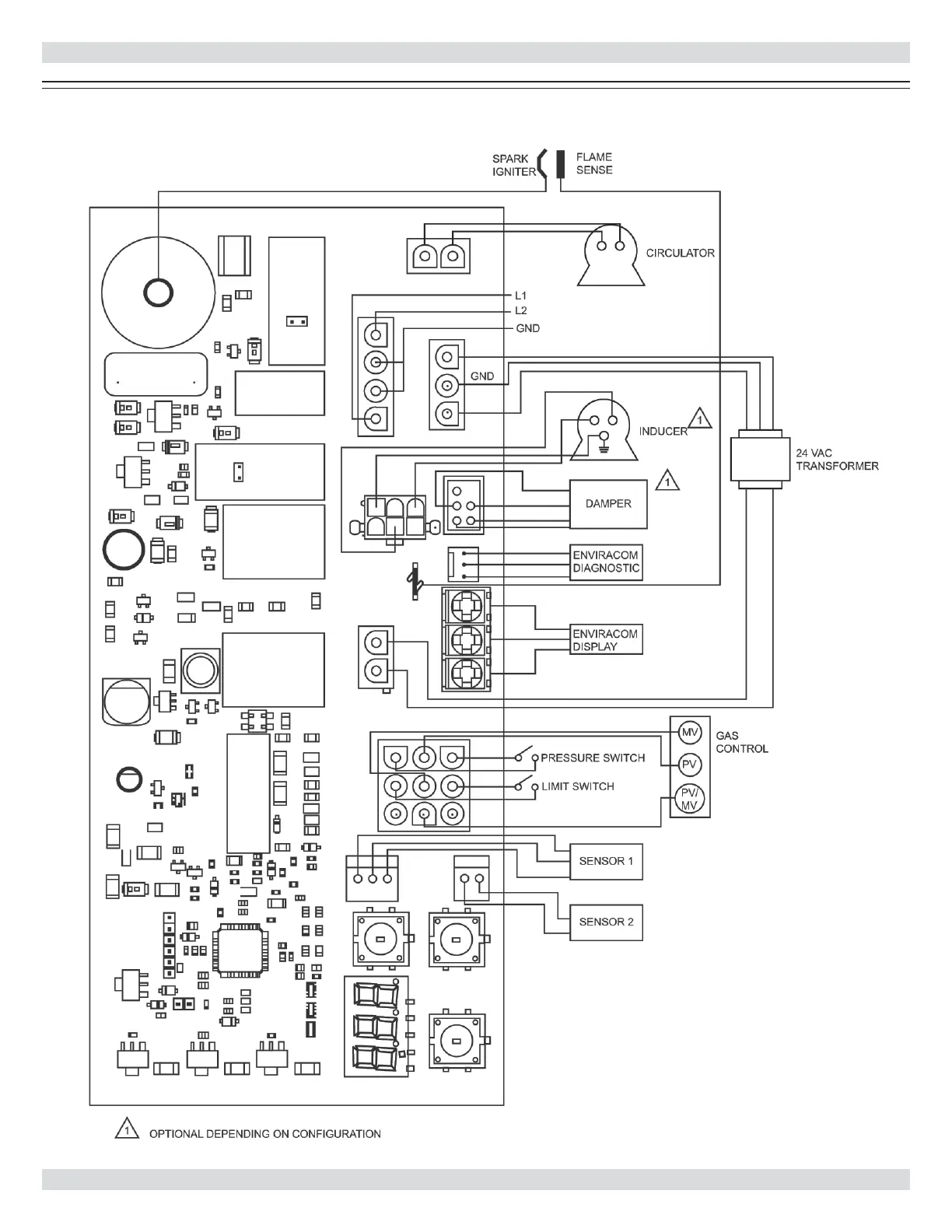
WIRING DIAGRAMS
Figure 12 - Control Module
Damper is not an option.

Other manuals for Dunkirk XEB-4

Related product manuals