EasyManua.ls Logo

DUROMAX XP12000X - Generator Wiring Diagram

DUROMAX XP12000X
72 pages
Print Icon
To Next Page IconTo Next Page
To Next Page IconTo Next Page
To Previous Page IconTo Previous Page
To Previous Page IconTo Previous Page
Loading...
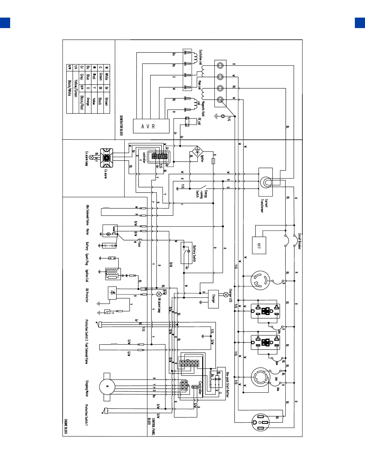
WIRING DIAGRAM
64

Related product manuals