EasyManua.ls Logo

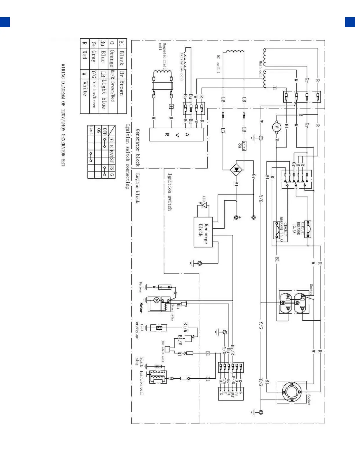
DUROMAX XP4850EH - Wiring Diagram; Generator Electrical Connections

DUROMAX XP4850EH
82 pages
Print Icon
To Next Page IconTo Next Page
To Next Page IconTo Next Page
To Previous Page IconTo Previous Page
To Previous Page IconTo Previous Page
Loading...
WIRING DIAGRAM
74

Related product manuals