EasyManua.ls Logo

DX Engineering DXE-RTR-2 - Page 30

DX Engineering DXE-RTR-2
36 pages
Print Icon
To Next Page IconTo Next Page
To Next Page IconTo Next Page
To Previous Page IconTo Previous Page
To Previous Page IconTo Previous Page
Loading...
30
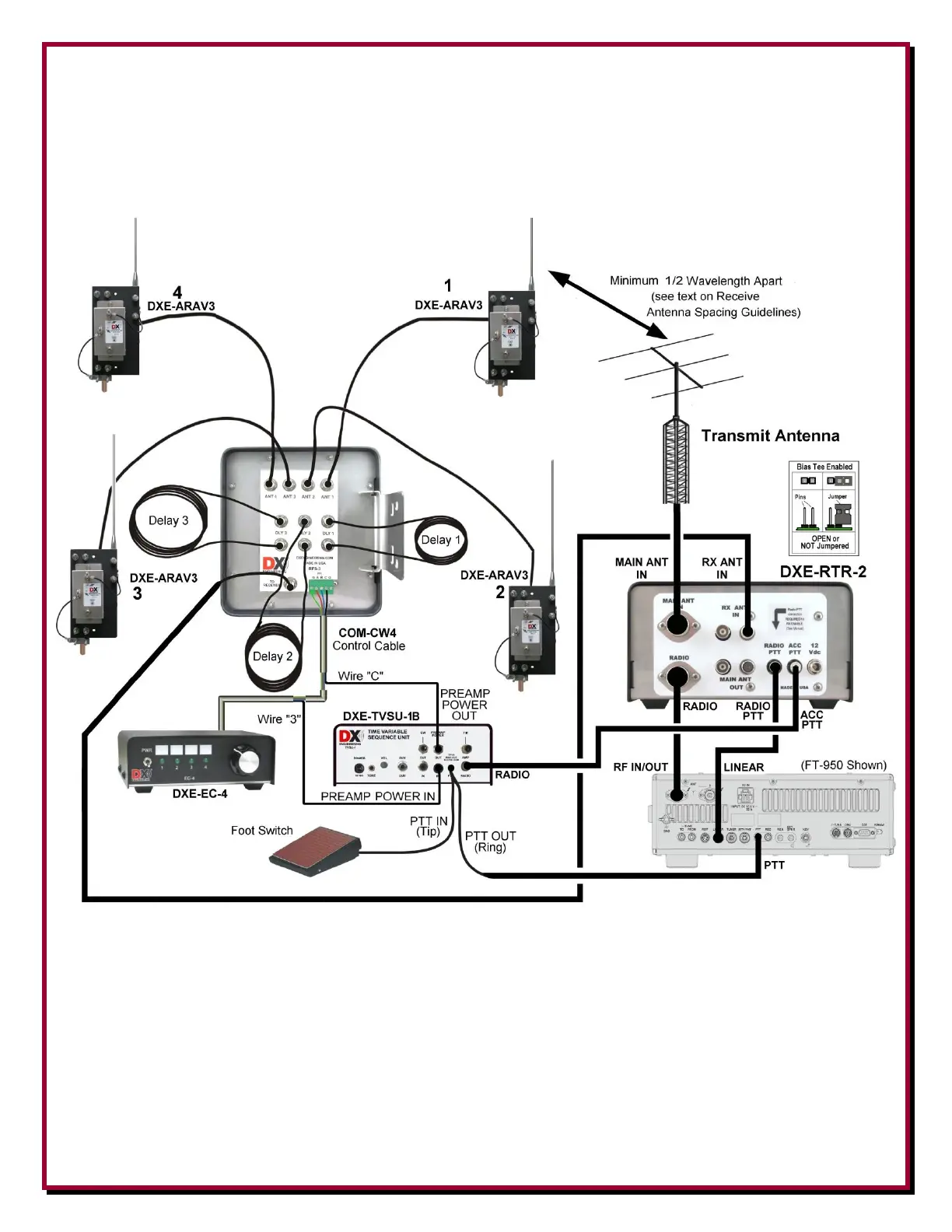
Diagram 7 - Connections for a standard transceiver to the Receive Four-Square
Complete Array Package DXE-RFS-SYS-4P. For details, refer to the DXE-RFS-
SYS-4P manual available at DXEngineering.com