EasyManua.ls Logo

Dyna-Glo EG7500DG - Connecting the Power; Power and Wiring Specifications; External Thermostat Connection

Dyna-Glo EG7500DG
42 pages
Print Icon
To Next Page IconTo Next Page
To Next Page IconTo Next Page
To Previous Page IconTo Previous Page
To Previous Page IconTo Previous Page
Loading...
7
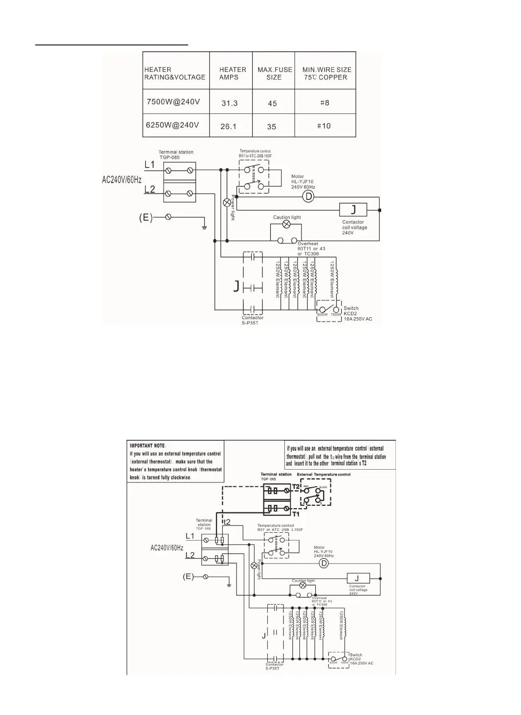
CONNECTING THE POWER
If you will use an external temperature control (external thermostat) to
control the heater to be operated or not, please follow below attention
points:
1. Make sure that the heater's temperature control knob (thermostat knob) is
turned fully clockwise.
2. Connect the wire according to below wiring diagram.

Related product manuals