EasyManua.ls Logo

Dynacord PM2600 - Block Diagram; Signal Flow and Components

Dynacord PM2600
Print Icon
To Next Page IconTo Next Page
To Next Page IconTo Next Page
To Previous Page IconTo Previous Page
To Previous Page IconTo Previous Page
Loading...
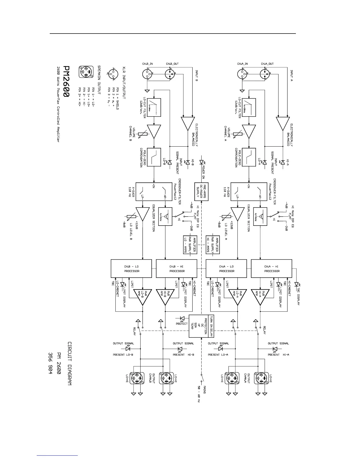
BLOCK DIAGRAM
32

Other manuals for Dynacord PM2600

Related product manuals