EasyManua.ls Logo

Dynojet 250i - Page 63

Dynojet 250i
176 pages
Print Icon
To Next Page IconTo Next Page
To Next Page IconTo Next Page
To Previous Page IconTo Previous Page
To Previous Page IconTo Previous Page
Loading...
2-37
DYNO INSTALLATION
Cable Routing
Version 4 Above Ground Model 250i Motorcycle Dynamometer Installation Guide
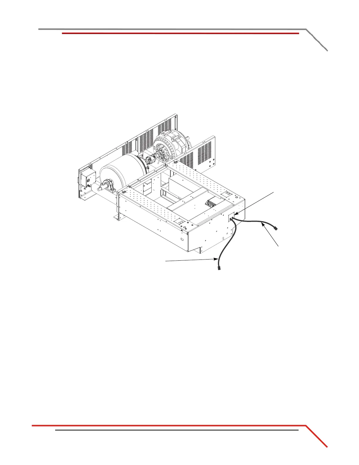
4 Place a split snap bushing around the wheel clamp cable and secure into place in
one hole on the cable pass through cover.
5 Place a split snap bushing around the power carriage cable and secure into place
in the other hole on the cable pass through cover.
6 Secure the cable pass through cover to the dyno with the two screws removed
earlier.
Figure 2-33: Routing Wheel Clamp and Power Carriage Cables
W016C
cable pass through
cover
2-pin power carriage cable
3-pin wheel clamp cable

Table of Contents