EasyManua.ls Logo

E-Mu 404 - Pre or Post Fader Aux Sends

E-Mu 404
120 pages
Print Icon
To Next Page IconTo Next Page
To Next Page IconTo Next Page
To Previous Page IconTo Previous Page
To Previous Page IconTo Previous Page
Loading...
4 - The PatchMix DSP Mixer
Mixer Strip Creation
38 Creative Professional
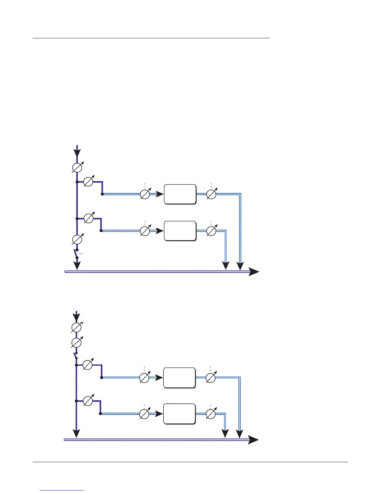
Pre or Post Fader Aux Sends
When you create a New Mixer Strip you have the option to place both Aux Sends after
the channel volume fader and mute control or you can place them before the fader and
mute. Post-Fader turns down the send level as you lower the volume of the strip. With
Pre-Fader selected, you may still hear the effected signal returning from one of the Aux
Buses with the volume fader turned down.
With the Pre-Fader box selected, the Aux Send levels are completely unaffected by the
Level Fader and Mute settings. The Pre-Fader setting allows you to create two completely
different mixes using the Aux Buses since the signal levels of this mix won’t be affected
by the fader settings.
In order to change a
strip from pre-fader to
post-fader or vice-versa,
you have to delete the
strip and create a new
one.
Main / Monitor Bus
Side
Chain
Output
Return
Amount
Send
Amount
Input
Amt
Mute
Amt
Aux Bus 1
Pan
Fader
Side
Chain
Return
Amount
Send
Amount
Aux Bus 2
Main / Monitor Bus
Side
Chain
Output
Return
Amount
Send
Amount
Input
Amt
Amt
Aux Bus 1
Pan
Fader
Mute
Side
Chain
Return
Amount
Send
Amount
Aux Bus 2
Pre-Fader Aux Send
Volume Fader & Mute does NOT affect Send Levels
Post-Fader Aux Send
Volume Fader & Mute affects both Aux Send Levels

Table of Contents

Other manuals for E-Mu 404

Related product manuals