EasyManua.ls Logo

Eagle 2000F Series - Page 44

Eagle 2000F Series
49 pages
Print Icon
To Next Page IconTo Next Page
To Next Page IconTo Next Page
To Previous Page IconTo Previous Page
To Previous Page IconTo Previous Page
Loading...
- 44 -
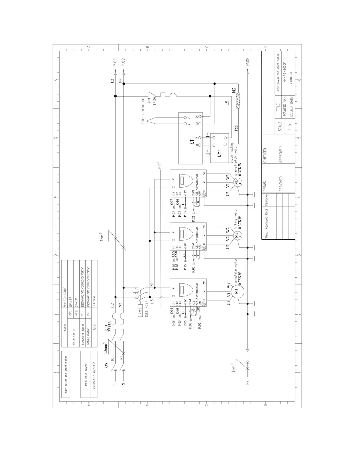
7. Electrical Schematics

Related product manuals