EasyManua.ls Logo

EASYPRINT Communicator II - Example Connections

Default Icon
243 pages
Print Icon
To Next Page IconTo Next Page
To Next Page IconTo Next Page
To Previous Page IconTo Previous Page
To Previous Page IconTo Previous Page
Loading...
DESCRIPTION AND INSTALLATION
25364 Issue 8 March 2018 2-23
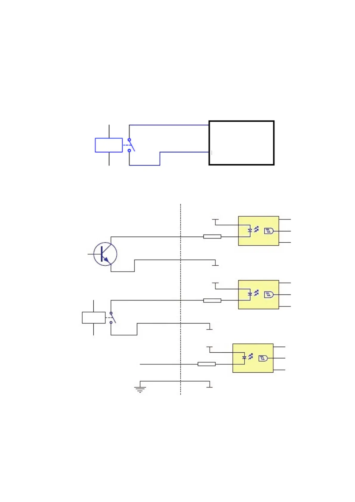
Example Connections
Start Signal
Using volt-free contacts - The start signal is the trigger for the printer to
start the printing process. The signal must be a minimum of 50ms duration.
The connection is made using pins 5 and 13 of the I/O connector, as shown
in the following diagram:
Pin 5 (Yellow)
Pin 13 (Black / White)
Printer
Relay
Alternative Start Signal
Yellow 5
Black / White
Yellow
Black / White
Yellow
Black / White
5
5
13
13
13
VCC_ISO
VCC_ISO
VCC_ISO
GND_ISO
GND_ISO
GND_ISO
U4
U4
U4
H11L1M
H11L1M
H11L1M
Relay
R15
R15
R15
1K
1K
1K
Start signal
Start signal
Start signal
1
1
1
2
2
2
6
6
6
4
4
4
5
5
5
Open Collector / open Drain
Output from PLC
Logic Signal 5V - 24V
Logic level: low < 0.5V
Logic level: high > 5V

Table of Contents

Related product manuals