EasyManua.ls Logo

EASYPRINT Communicator II - I;O Wiring Diagrams; Compact 32 D, 32 C and 53 C

Default Icon
243 pages
Print Icon
To Next Page IconTo Next Page
To Next Page IconTo Next Page
To Previous Page IconTo Previous Page
To Previous Page IconTo Previous Page
Loading...
DESCRIPTION AND INSTALLATION
25364 Issue 8 March 2018 2-31
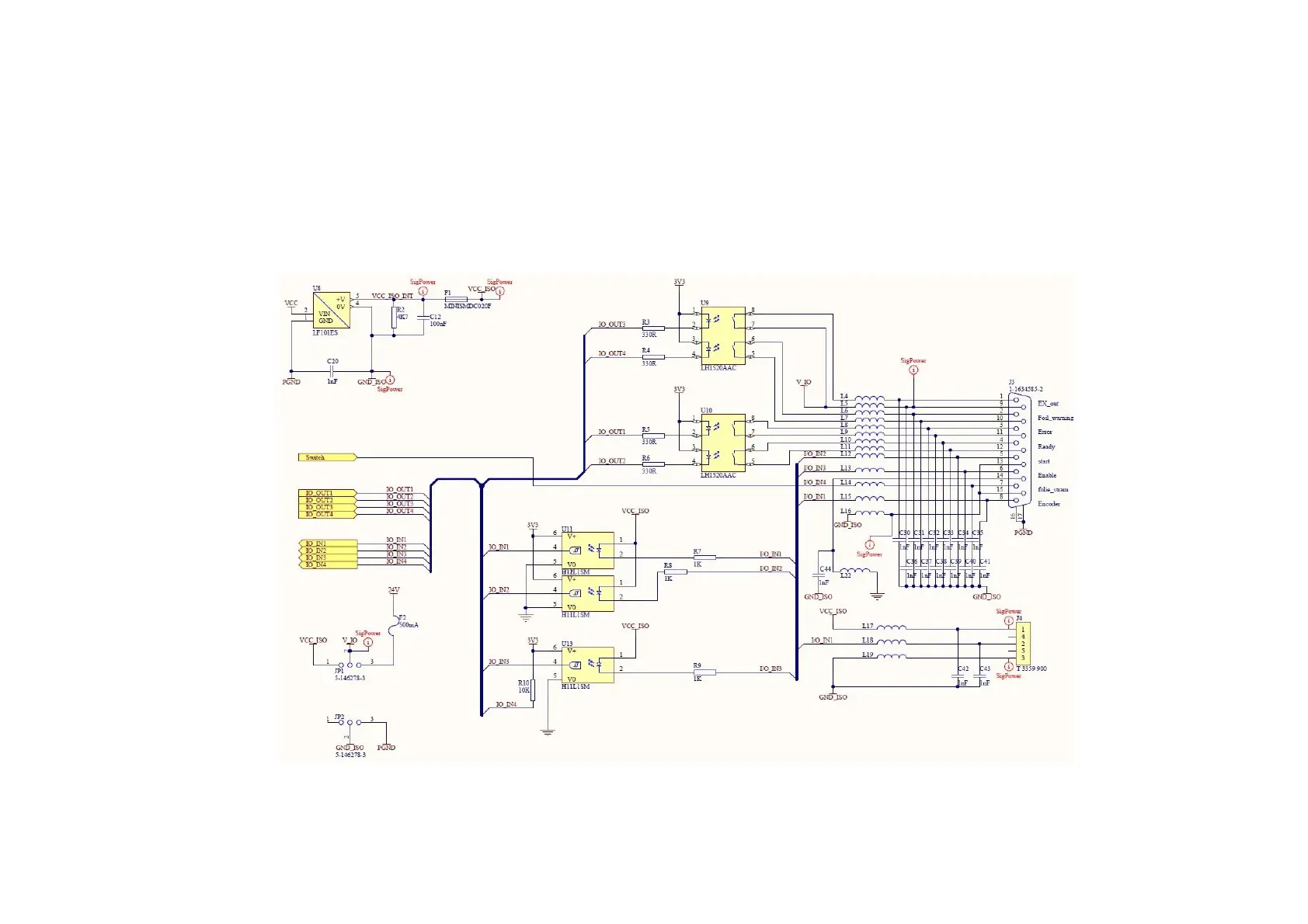
I/O Wiring Diagrams
Compact 32d, 32c and 53c

Table of Contents

Related product manuals