EasyManua.ls Logo

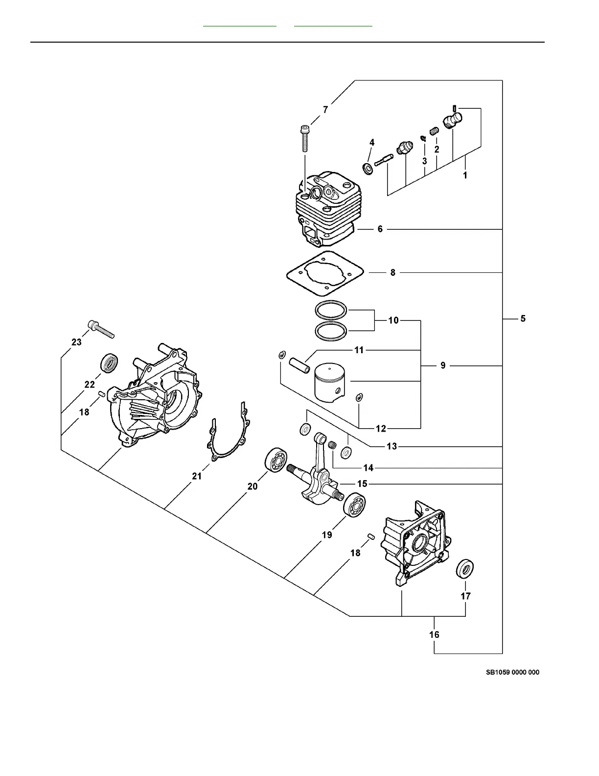
Echo SRM-400 - Engine, Short Block, Decompression Assembly

Echo SRM-400
44 pages
Print Icon
To Next Page IconTo Next Page
To Next Page IconTo Next Page
To Previous Page IconTo Previous Page
To Previous Page IconTo Previous Page
Loading...
99922204184 - 22 - REVISED 10/01/07
Table of Contents Part Number Index
SRM-400 Brushcutter Engine, Short Block, Decompression Assembly

Other manuals for Echo SRM-400

Related product manuals