EasyManua.ls Logo

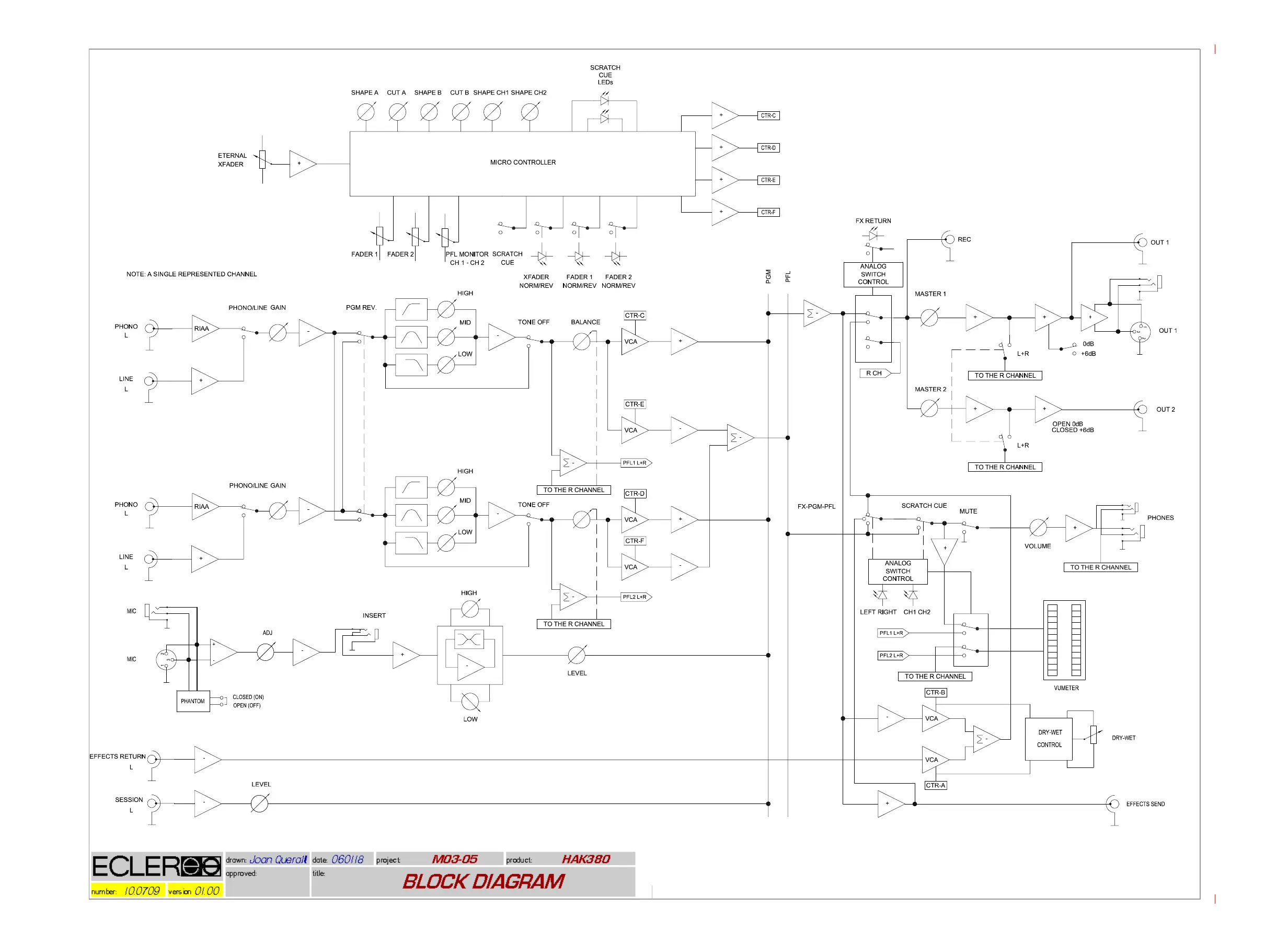
Ecler HAK380 - BLOCK DIAGRAM

Ecler HAK380
38 pages
Print Icon
To Next Page IconTo Next Page
To Next Page IconTo Next Page
To Previous Page IconTo Previous Page
To Previous Page IconTo Previous Page
Loading...

Related product manuals