EasyManua.ls Logo

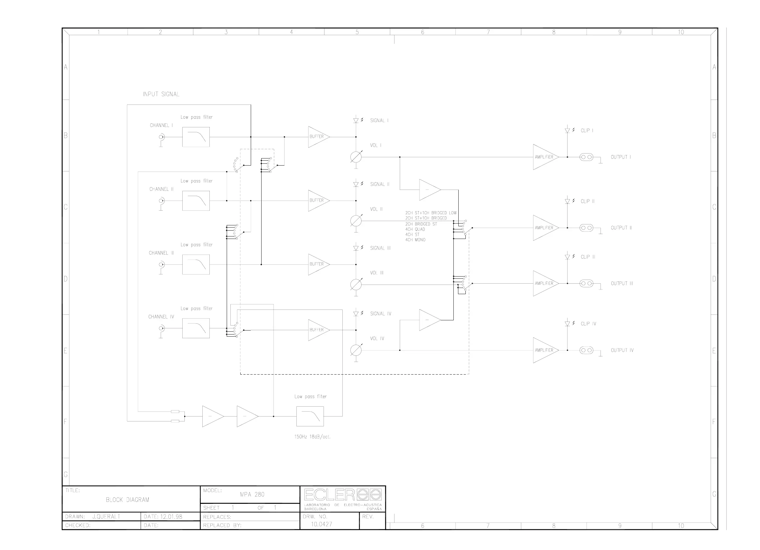
Ecler MPA280 - Block Diagram

Ecler MPA280
21 pages
Print Icon
To Next Page IconTo Next Page
To Next Page IconTo Next Page
To Previous Page IconTo Previous Page
To Previous Page IconTo Previous Page
Loading...

Related product manuals