EasyManua.ls Logo

Ecler Nuo3 - 7 Funktionsliste; 8 Funktionsdiagramm

Ecler Nuo3
48 pages
Print Icon
To Next Page IconTo Next Page
To Next Page IconTo Next Page
To Previous Page IconTo Previous Page
To Previous Page IconTo Previous Page
Loading...
42
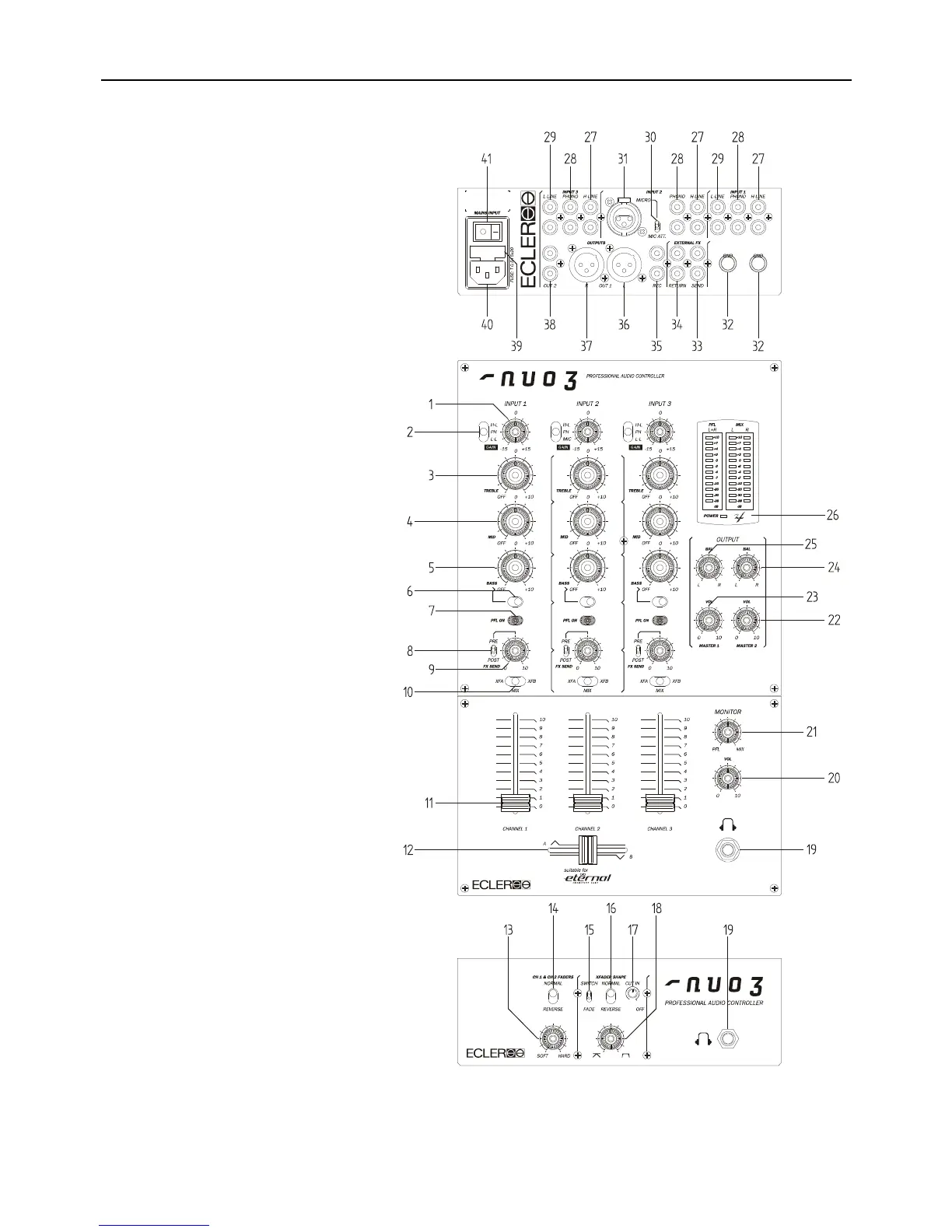
7. FUNKTIONSLISTE 8. FUNKTIONSDIAGRAMM
1. Eingangspegelregler, GAIN
2. Eingangswahlschalter
3. Hochtonregler, TREBLE
4. Mitteltonregler, MID
5. Bassregler, BASS
6. Bassfrequenz Unterdrückung, BASS
7. Prefader Vorhörschalter, PFL
8. Send Taste zum Effekt Bus, FX SEND
9. Effekt Send Regler
10. Send to XF taste, XFA/MIX/XFB
11. Fader
12. Crossfader
13. Fader Kurveneinstellung, SOFT HARD
14. Fader Umkehrfunktion
15. Crossfader Kurvenmodus, SWITCH
FADE
16. Crossfader Umkehrfunktion
17. Crossfader "Cut in time" Einstellung,
CUT IN
18. Crossfader Kurveneinstellung
19. Kopfhörer Stereo-Klinkenbuchse
20. Kopfhörer Laustärkeregler, VOL
21. PFL/MIX Crossfaderkontrolle
22. Ausgang 2 Pegelregler, MASTER 2
23. Ausgang 1 Pegelregler, MASTER 1
24. Ausgang 2 Balance. BAL
25. Ausgang 1 Balance. BAL
26. PFL und MIX VU-Meter
27. High Line RCA Eingänge, H-LINE
28. Vinyl -Plattenspieler Phono RCA
Eingänge, PHONO
29. Low Line RCA Eingänge, L-LINE
30. Empfindlichkeits-Einstellung des micro-
Eingang
31. Mikrophonanschluss
32. Erdungsklemme, GND
33. Externer Effekt SEND Ausgang, SEND
34. Externer Effekt RETURN Eingang,
RETURN
35. Aufnahme RCA Buchse, REC
36. Symmetrierter Ausgang links, OUT1 L
37. Symmetrierter Ausgang rechts, OUT1 R
38. RCA Ausgang, OUT2
39. Sicherungshalter
40. Netzanschlußbuchse
41. Netzschalter OFF/ON, O/I

Table of Contents

Related product manuals