EasyManua.ls Logo

Ecler Nuo3 - BLOC DIAGRAM; Block Diagram

Ecler Nuo3
48 pages
Print Icon
To Next Page IconTo Next Page
To Next Page IconTo Next Page
To Previous Page IconTo Previous Page
To Previous Page IconTo Previous Page
Loading...
47
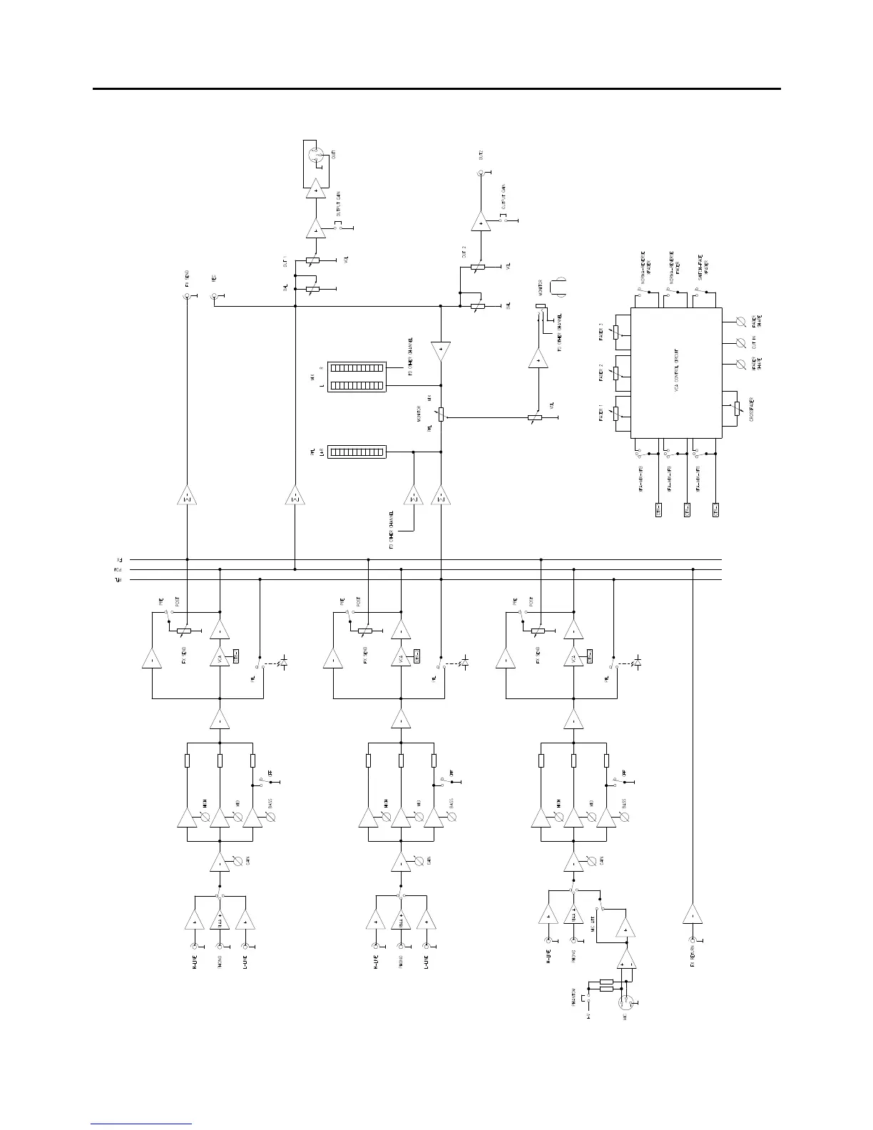
11. BLOC DIAGRAM 11. DIAGRAMA DE BLOQUES
11. SCHÉMA SYNOPTIQUE 11. BLOCKSCHALTBILD

Table of Contents

Related product manuals