EasyManua.ls Logo

Ecler nuo5 - 14 Diagrama de Bloques; 14 Schema Synoptique; 14 Blockschaltbild; 14 Bloc Diagram

Ecler nuo5
128 pages
Print Icon
To Next Page IconTo Next Page
To Next Page IconTo Next Page
To Previous Page IconTo Previous Page
To Previous Page IconTo Previous Page
Loading...
126
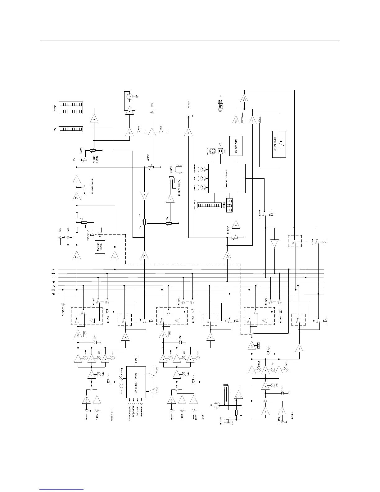
14. BLOC DIAGRAM 14. DIAGRAMA DE BLOQUES
14. SCHÉMA SYNOPTIQUE 14. BLOCKSCHALTBILD

Table of Contents

Related product manuals