EasyManua.ls Logo

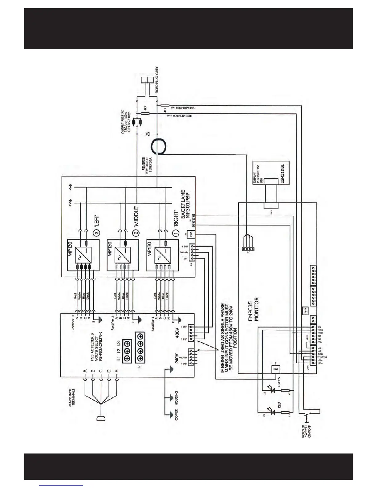
ECO Charge FS3 - FS3 Block Diagram

ECO Charge FS3
29 pages
Print Icon
To Next Page IconTo Next Page
To Next Page IconTo Next Page
To Previous Page IconTo Previous Page
To Previous Page IconTo Previous Page
Loading...
FS3 Block Diagram .9
FS3 Block Diagram