EasyManua.ls Logo

EcoFlow POWER HUB - Modalità Bypass; Modalità Invertitore

EcoFlow POWER HUB
40 pages
Print Icon
To Next Page IconTo Next Page
To Next Page IconTo Next Page
To Previous Page IconTo Previous Page
To Previous Page IconTo Previous Page
Loading...
IT
12
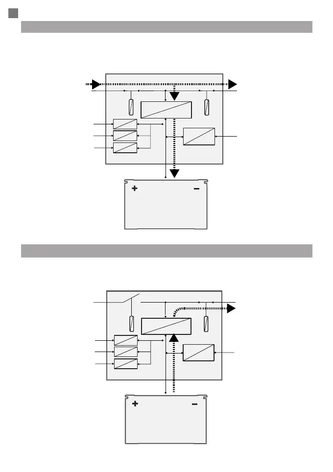
Quando non è disponibile l'alimentazione CA esterna, l'invertitore fornisce alimentazione
CA sull'output CA.
Modalità invertitore
Modalità bypass
Quando il prodotto è collegato alla rete CA esterna e l'uscita CA è attivata, il sistema
entra in modalità bypass. L'uscita CA viene alimentata dall'alimentazione CA esterna e la
batteria dell'LFP viene caricata dall'alimentazione CA esterna.
AC
DC
DC
DC
DC
PV1
PV2
PV3
DC
DC
DC
DC
DC
AC IN
AC OUT
DC OUT
BATTERIES
AC
DC
DC
DC
DC
PV1
PV2
PV3
DC
DC
DC
DC
DC
AC IN
AC OUT
DC OUT
BATTERIES

Related product manuals