EasyManua.ls Logo

EcoKing H200 - Page 50

Default Icon
76 pages
Print Icon
To Next Page IconTo Next Page
To Next Page IconTo Next Page
To Previous Page IconTo Previous Page
To Previous Page IconTo Previous Page
Loading...
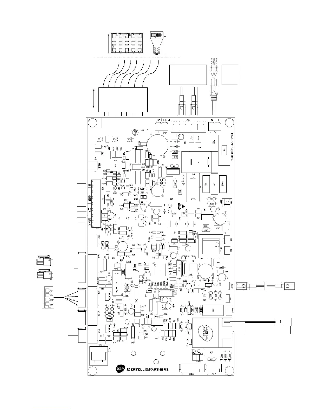
Part 9 - Electrical connections
To Fan
Pump + Fan connector
Slide WHITE cable tree
CONNECTOR on / of
BURNER CONT. Print
Fan + Pump
Room Thermostat
on / of or Open
Therm
Outside sensor
Tank
Flue gas,
3 w ay valve,
CH supply
sens.
Flow (DHW) +
Temp. (DHW)
Pressure (CH
return) + Treturn
(CH)
Figure 9.3 Print circuit board main connections
To Pump
Ground CONNECTORS
Pow er
for Green / Yellow
supply
ground cables
cable
(Supply, Fan, Pump)
Ground
connection
ignition pin
Ignition cable
to spark plug
49

Table of Contents

Related product manuals