EasyManua.ls Logo

Edgewater Networks 245CC - General Dimensions

Default Icon
234 pages
Print Icon
To Next Page IconTo Next Page
To Next Page IconTo Next Page
To Previous Page IconTo Previous Page
To Previous Page IconTo Previous Page
Loading...
4-4
Selection Guide
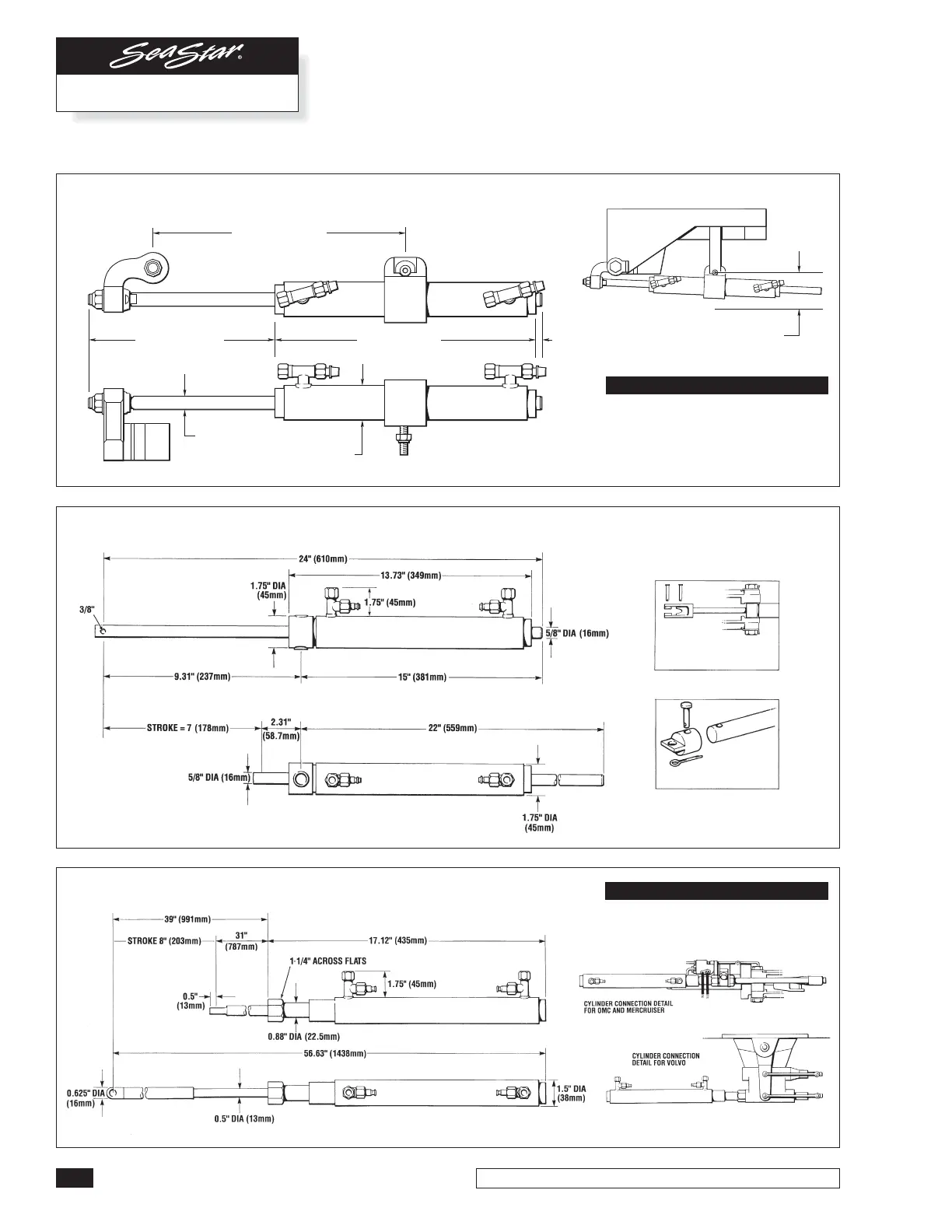
General Dimensions
HC5328 125-8EM
HC5326 BA150-7EM
CYLINDER CONNECTION DETAIL
FOR OMC (PART #HA5424)
CYLINDER CONNECTION DETAIL
FOR MERCURY
(QUICKSILVER PART #B98735A1)
12.08" (306.86 mm)
0.625" (15.88 mm)
8.85" (224.79 mm) 12.5" (317.5 mm)
0.25"
(6.35 mm)
1.625" (41.28 mm)
5" (127mm) REQUIRED FOR
UNRESTRICTED MOUNTING
HC5332 135-7EM
STERNDRIVE STEERING
NOTICE
If engine outdrive is NOT equipped with
a torque tab on the underside of the
lower leg, one must be installed to
reduce prop torque.
NOTICE
DO NOT use a PRO Helm pump with this,
or any other unbalanced steering cylinder.

Table of Contents

Related product manuals