EasyManua.ls Logo

EdilKamin Idrotech - Page 82

EdilKamin Idrotech
Print Icon
To Next Page IconTo Next Page
To Next Page IconTo Next Page
To Previous Page IconTo Previous Page
To Previous Page IconTo Previous Page
Loading...
- 82 -
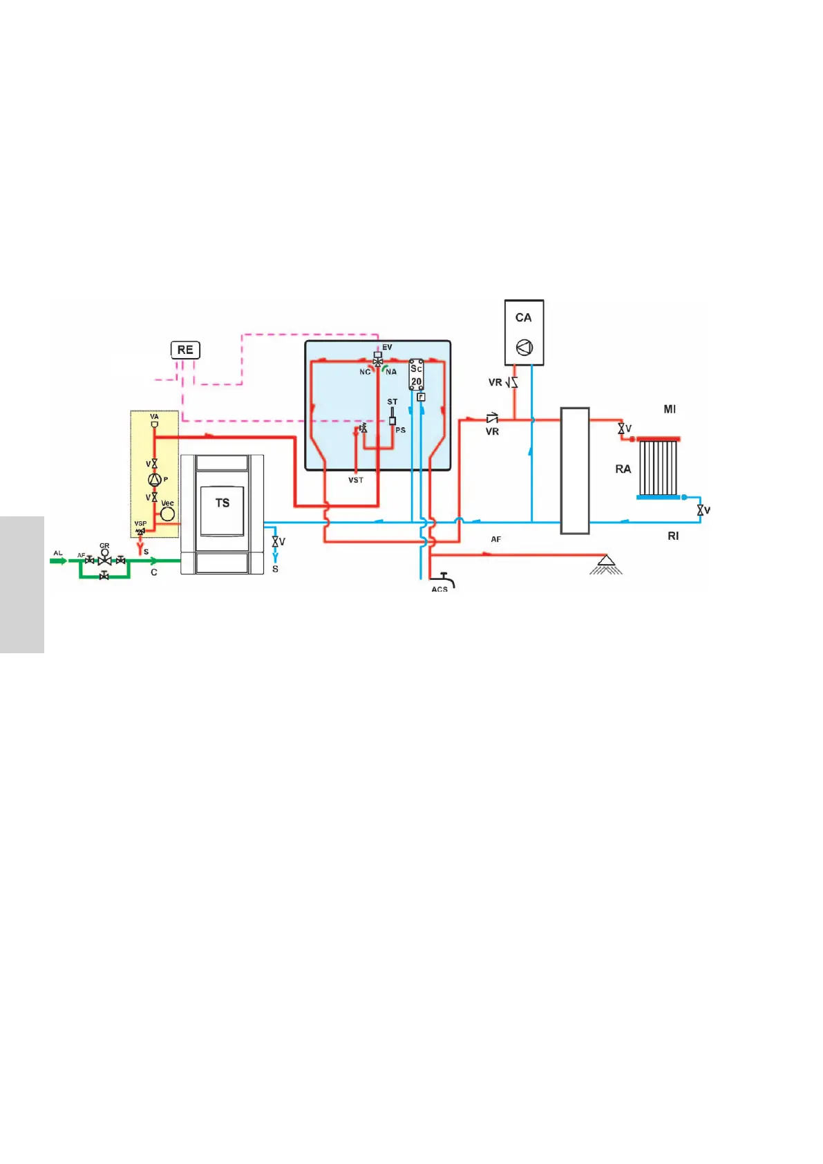
Anlage Heizeinsätze als einzige Heizwärmequelle mit
Sanitärheißwasser-Erzeugung durch Boiler
Das vorliegende Schema versteht sich lediglich als Veranschauungsbeispiel – die sachge-
rechte Ausführung unterliegt dem Heizungs- und Sanitäranlageninstallateur
LEGENDE
ACS Sanitärheißwasser
AL Wassernetzzufuhr
B Boiler
C Füllen/Auffüllen
EV2 Zweiwege-Magnetventil
EV3 Dreiwege-Magnetventil
NA stromlos offener Kontakt
NC stromlos geschlossener
Kontakt
GR Füllaggregat
M Mischventil
MI Anlagenvorlauf
P Pumpe (Umwälzpumpe)
PS Messsondenschacht
RA Heizkörper
RE Heizwiderstand
RI Anlagenrücklauf
S Abuss
SI Tauchsonde
TS Pellet-Heizofen
V Kugelventil
VA Automatisches Entlüftungsventil
Vec Geschlossenes Dehnungsgefäß
VSP Überdruck-Sicherheitsventil
ACHTUNG: bei Sanitärheißwasser-Erzeugung (ACS), sinkt die Leistung im Heizkörper.
ZUBEHÖR
Die Anlagen in den beiden obigen Schaubildern wurden unter Einsatz von Zubehörteilen ausgeführt, die von
EdilKamin bezogen werden können.
Kit 4 (Bestellnr. 264290) Vormontierter Kit für Heizöfen zur Sanitärheißwasser-Erzeugung
(Wärmetauscher mit 20 Platten, motorgetriebenes Dreiwegeventil, Überhitzungsschutzventil, Durchusswächter
und elektronischer Druckregler)
• Extrazubehör: Kasten zur Wandmontage des Kits (Bestellnr. 262140)
• Boiler mit einem (Bestellnr. 264750) oder zwei (Bestellnr. 264760) festinstallierten Wärmetauschern zum
Erzeugen und Speichern von Sanitärheißwasser. Fassungsvermögen: 150 l
Außerdem sind verschiedene Teile einzeln lieferbar (Wärmetauscher, Ventile u. a.).
ERSTINBETRIEBNAHME (durch dem Händler)
Überprüfen, dass die Wasseranlage sachgerecht ausgeführt ist und über ein für den sicheren Betrieb ausreichend großes
Dehnungsgefäß verfügt. Das in den Heizofen eingebaute Dehnungsgefäß alleine gewährleistet keinen angemessenen Schutz der
Anlage vor den Wärmedehnungs-Belastungen.
Die Stromversorgung des Heizofens herstellen und die Kalt-Funktionsprüfung durchführen (durch dem Händler).
Die Anlage durch Öffnen des Wasserhahns befüllen (es wird empfohlen, einen Druck von 1 bar nicht zu überschreiten).Während
der Befüllung die Pumpe und den Ablasshahn entlüften lassen.
Nach erfolgter Wassereinfüllung und Überprüfung des sachgerechten Rauchabzugs kann die Pellet-Förderschnecke durch
gleichzeitige Betätigung der Tasten + und – gefüllt werden. Etwa 5 Minuten später fallen die ersten Pellets in die Brennkammer.
Nun die Taste 0/1 betätigen, und der Heizofen ist bereit für die Zündung.
DEUTSCH
DEUTSCH
Innere Heizofen-Bauteile
Sammelleitung
Elektronischer
Regler

Related product manuals