EasyManua.ls Logo

EdilKamin Idrotech - Page 9

EdilKamin Idrotech
Print Icon
To Next Page IconTo Next Page
To Next Page IconTo Next Page
To Previous Page IconTo Previous Page
To Previous Page IconTo Previous Page
Loading...
- 9 -
ITALIANO
ITALIANO
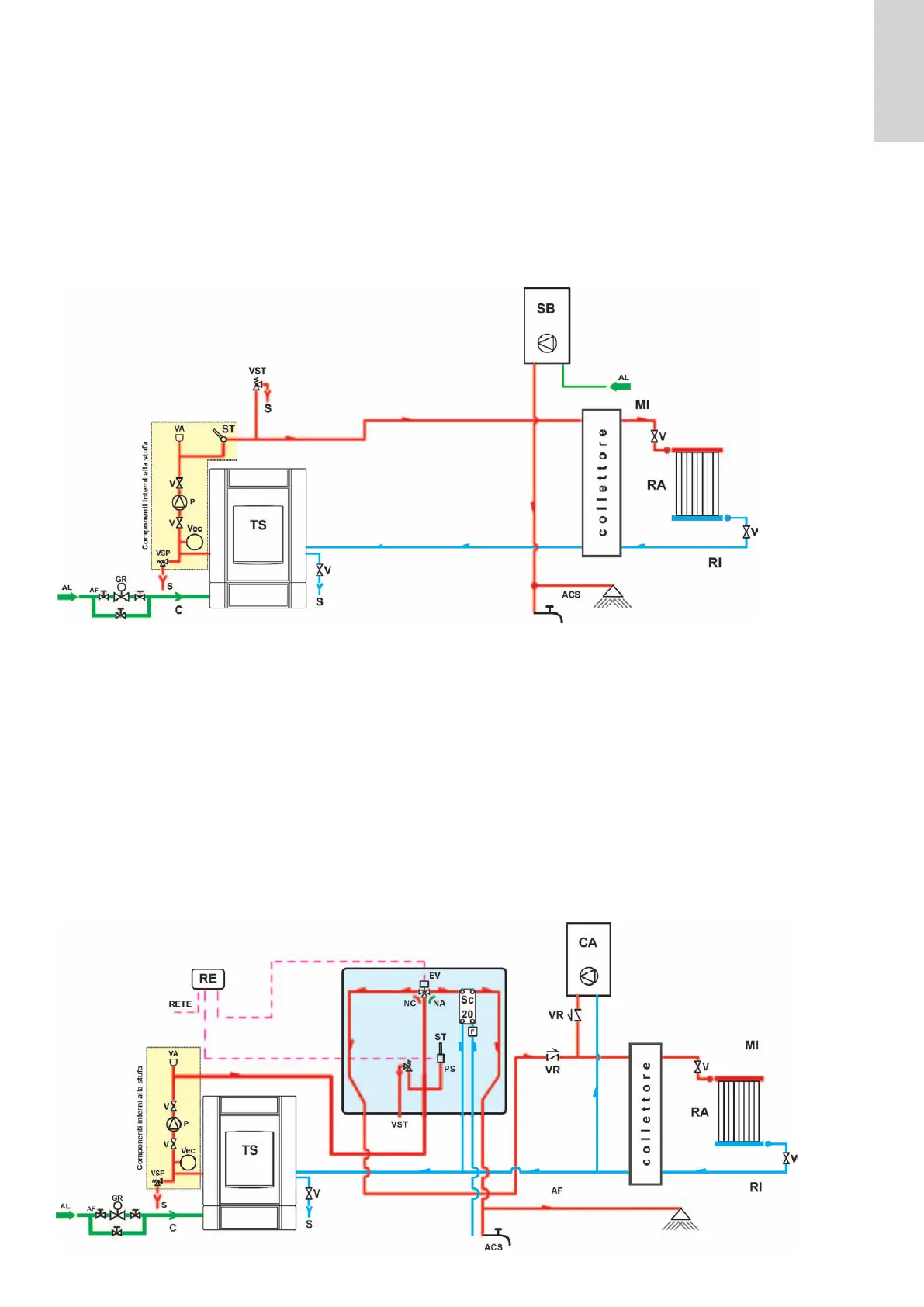
Impianto Termostufa per riscaldamento abbinato a scaldabagno.
Il presente schema è indicativo, la corretta installazione è a cura dell’idraulico.
LEGENDA
AF: Acqua Fredda
AL: Alimentazione rete idrica
C: Carico/Reintegro
EV3: Elettrovalvola a 3 vie
NA: Normalmente Aperta
NC: Normalmente Chiusa
GR: Riduttore di pressione
MI: Mandata Impianto
P: Pompa (circolatore)
RA: Radiatori
RI: Ritorno Impianto
S: Scarico
SB: Scaldabagno
ST: Sonda Temperatura
TC: Termostato a contatto
TS: Termostufa
V: Valvola a sfera
VA: Valvola automatica scarico aria
Vec: Vaso espansione chiuso
VR: Valvola di non ritorno
VSP: Valvola di sicurezza a pressione
Impianto Termostufa con produzione di acqua calda sanitaria
con KIT 4 assemblato, abbinato a caldaia.
Il presente schema è indicativo, la corretta installazione è a cura dell’idraulico.
LEGENDA
ACS: Acqua Calda Sanitaria
AF: Acqua Fredda
AL: Alimentazione rete idrica
C: Carico/Reintegro
CA: Caldaia murale
EV: Elettrovalvola a 3 vie
NA: Normalmente Aperta
NC: Normalmente Chiusa
F: Flussostato
GR: Riduttore di pressione
MI: Mandata Impianto
P: Pompa (circolatore)
PS: Pozzetto sonda
RA: Radiatori
RE: Regolarore
RI: Ritorno Impianto
S: Scarico
SC: Scambiatore a piastre
ST: Sonda Temperatura
TS: Termostufa
V: Valvola a sfera
Vec: Vaso espansione chiuso
VR: Valvola di non ritorno
VSP: Valvola di sicurezza a pressione
VST: Valvola di scarico termico

Related product manuals