EasyManua.ls Logo

EKF Astro TM-AS - Wiring Diagram

EKF Astro TM-AS
28 pages
Print Icon
To Next Page IconTo Next Page
To Next Page IconTo Next Page
To Previous Page IconTo Previous Page
To Previous Page IconTo Previous Page
Loading...
23
Factory reset:
ОPress and hold the buttons «MENU», «▲▼» and «ОК» for 3 seconds
at the same time, the congured programs and parameters will be
returned to the factory settings.
No need for special maintenance of a product during operation. Tight-
en screw terminals of the timer once per 6 months.
K2
K1
A1 15 25
A2
18 16 28 26
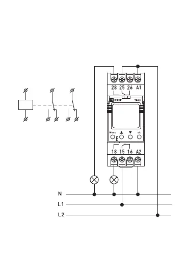
Fig. 4 Wiring diagram
4 WIRING DIAGRAM