EasyManua.ls Logo

EKF TE-80 - Page 9

EKF TE-80
24 pages
Print Icon
To Next Page IconTo Next Page
To Next Page IconTo Next Page
To Previous Page IconTo Previous Page
To Previous Page IconTo Previous Page
Loading...
9
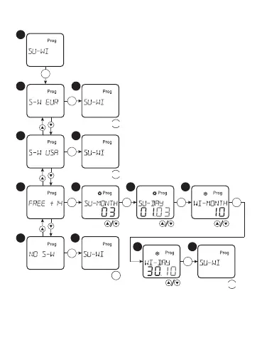
Summer/winter time setting:
Select in the main menu the op-
tion «Summer-Winter», press
«OK». Then set the procedure
for switching to Winter/summer
time as per Table 5.
Press «MENU» for exit from
settings.
1
2
3
11
12
4 6 7 8
9 10
5 13
OK
OK
OK
OK
OK
OK OK
OK
OK
MENU
MENU
MENU
MENU