EasyManua.ls Logo

EKKO EB18E - 6 Electrical Schematic Diagram

EKKO EB18E
26 pages
Print Icon
To Next Page IconTo Next Page
To Next Page IconTo Next Page
To Previous Page IconTo Previous Page
To Previous Page IconTo Previous Page
Loading...
11
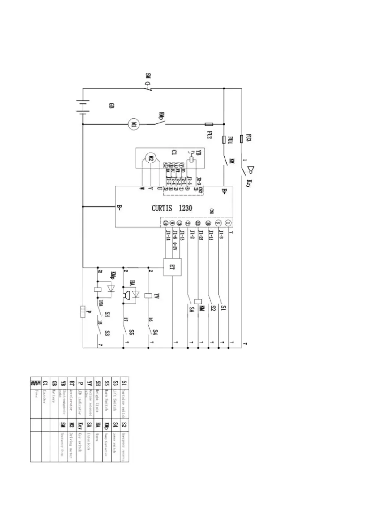
6.Electrical schematic diagram

Other manuals for EKKO EB18E

Related product manuals