EasyManua.ls Logo

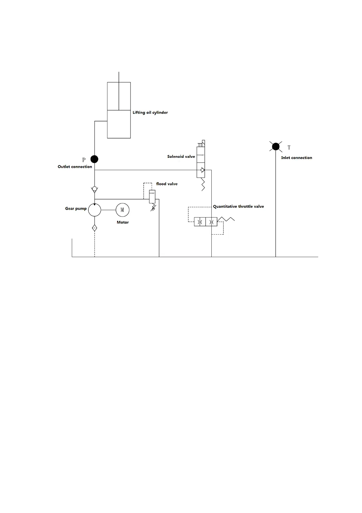
EKKO EB18E - 7 Hydraulic Principle Diagram

EKKO EB18E
26 pages
Print Icon
To Next Page IconTo Next Page
To Next Page IconTo Next Page
To Previous Page IconTo Previous Page
To Previous Page IconTo Previous Page
Loading...
12
7.Hydraulic Principle Diagram

Other manuals for EKKO EB18E

Related product manuals