EasyManua.ls Logo

elco 200 - Hydraulic Connections

elco 200
Print Icon
To Next Page IconTo Next Page
To Next Page IconTo Next Page
To Previous Page IconTo Previous Page
To Previous Page IconTo Previous Page
Loading...
27 / EN
HYDRAULIC CONNECTIONS
Before using the product, we recommend filling its tank with water
and draining it completely so as to remove the residual impurities.
Connect the water heater inlet and outlet to pipes or pipe fittings
that can withstand the operating pressure and temperature of the
hot water, which may reach 75°C. It is not advisable to use materials
that cannot withstand such temperatures. The dielectric union fitting
with joint (supplied with the product) must be applied to the hot
water outlet pipe, prior to performing the connection.
The appliance must not operate with water hardness levels below
12°F; on the other hand (>25°F), it is advisable to use a suitably cali-
brated and monitored water softener in the event of particularly hard
water; in this event, the residual hardness must not fall below 15°F.
Screw a “T” fitting identified by a blue collar onto the appliance’s
water inlet pipe.
It is mandatory to screw on said fitting a cock for draining the product
with a tool on one side, and a suitable device against overpressure
on the other side.
SAFETY GROUP COMPLIES WITH THE EUROPEAN STANDARD EN 1487
Certain countries may require the use of specific safety devices (see
next figure for the European Community countries), in line with local
legal requirements; it is the responsibility of the qualified installer in
charge of installing the product to assess the correctness and suita-
bility of the safety device used.
The codes for these accessories are:
Hydraulic safety assembly 1/2" code 877084
(for products with 1/2" diameter inlet pipes)
Hydraulic safety assembly 3/4" code 877085
(for products with 3/4" diameter inlet pipes)
Trap 1" code 877086
Do not install any shut-o device (valve, cock, etc.) between the
safety unit and the heater itself. The appliance’s drain outlet must
be connected to a drain pipe of diameter at least equal to the of the
outlet itself, with a funnel to permit an air gap of at least 20 mm for
visual inspection.
In addition, a water discharge tube on the outlet is necessary if the
emptying tap is opened.
When installing the safety device, do not tighten it fully down, and
do not tamper with its settings. It is necessary to connect the drain,
which must always be left exposed to the atmosphere, with a drain-
age pipe that is installed sloping downwards in a place with no ice.
If
the network pressure is closed to the calibrated valve pressure,
it will be necessary to apply a pressure reducer far away from the
appliance. To avoid any possible damage to the mixer units (taps or
shower) it is necessary to drain any impurities from the pipes.
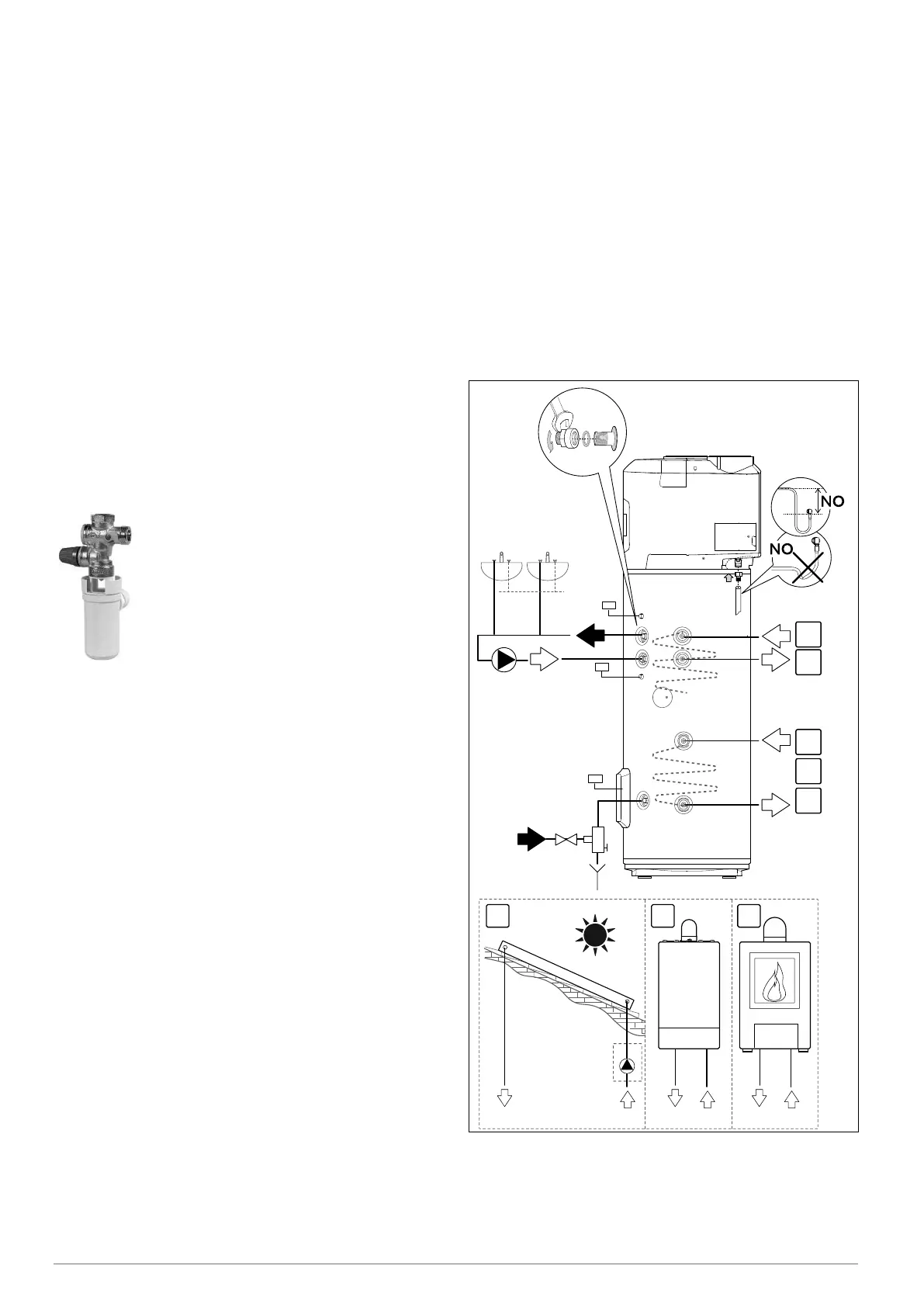
The SYS and TWIN SYS versions have a ¾”G coupling for recircula-
tion of the hydraulic system (if present).
The SYS version coil has two ¾”G couplings, upper (inlet) and lower
(outlet), on which to connect an auxiliary source.
The TWIN SYS version has two coils on which to connect two dier-
ent auxiliary generators. For the TWIN SYS version we recommend
you connect any solar heating systems to the lower coil and the other
heat generator to the upper one.
WARNING! It is advisable to carefully wash the system’s pipes in or-
der to remove any residues of screw thread, welding or dirt which
may hamper the correct operation of the appliance.
LEGIONELLA BACTERIA FUNCTION
Legionella are small rod shaped bacteria which are a natural constit-
uent of all fresh waters.
Legionaries’ disease is a serious pneumonia infection caused by in-
haling the bacteria Legionella pneumophilia or other Legionella spe-
cies.
This bacterium is frequently found in domestic, hotel and other wa-
ter systems and in water used for air conditioning or air cooling sys-
tem. Hence the main intervention against the condition is prevention,
through control of the organism in water systems.
The European standard CEN/TR 16355 gives recommendations for
good practice concerning the prevention of Legionella growth in
drinking water installations but existing national regulations remain
in force.
This storage water heater is supplied with the thermal disinfection
cycle deactivated by default. Each time the product is turned on and
every 30 days, the system carries out a thermal disinfection cycle
raising the temperature of the boiler to 60°C.
Warning: when this software has been carrying out the thermal
disinfection treatment, water temperature can cause severe burns
instantly. Children, disabled and elderly are at highest risk of being
scalded. Feel water before bathing or showering.
S3
MAX 75°C
S4
MAX 75°C
S2
MAX 75°C
SYS / TWIN SYS
25 N m MAX
(2.5 kg m)
1 2 1 2 1 2
A B C
IN
OUT
1
2
A
B
C
1
2
B
C
WARNING! (only for SYS and TWIN SYS versions)
Make sure that the temperature detected by the S2, S3 and S4 sen-
sors of the auxiliary-source control unit inside the water heater, does
not exceed 75°C.

Related product manuals