EasyManua.ls Logo

Electra Touch Line Series - Page 7

Electra Touch Line Series
10 pages
Print Icon
To Next Page IconTo Next Page
To Next Page IconTo Next Page
To Previous Page IconTo Previous Page
To Previous Page IconTo Previous Page
Loading...
6
8
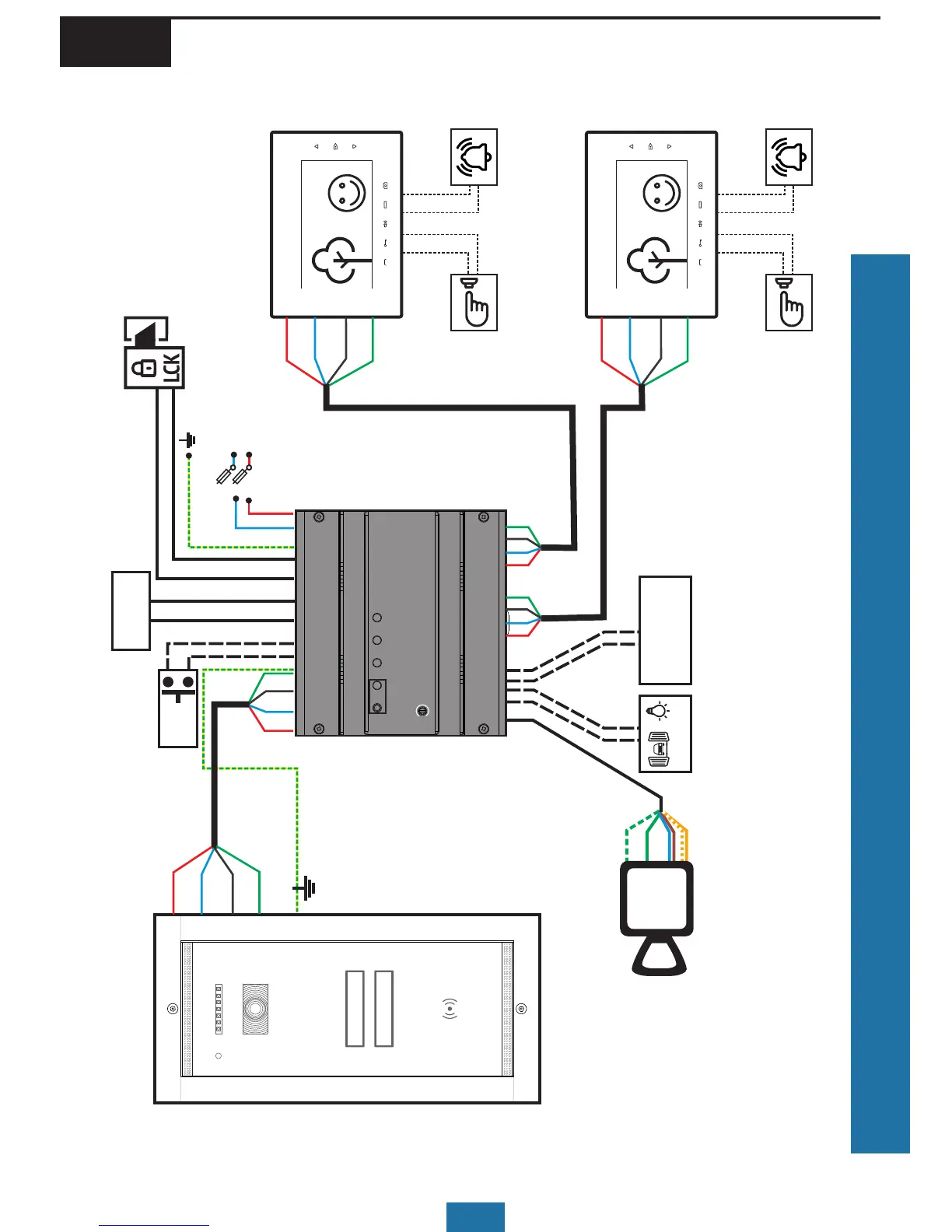
Vout2
GNV
GND
+U
SCU
+U
PROG
BAT 110/230V
OUT1
Vcam
Fam. 2 (Adr. 2)
GONG2
GONG1
DBL1
DBL2
Doorbell
+U
C/D
GND
Vin
GONG
Fam. 1 (Adr. 1)
GONG2
GONG1
DBL1
DBL2
Doorbell
+U
C/D
GND
Vin
GONG
OUT2
+U
C/D
GND
Vout
+U
C/D
GND
Vout
VPM (Adr. 1)
Fam 2
EN
LCK
max. 24Va.c./24Vd.c.
EXIT
S1: 2x6Aa.c.
110Va.c./50Hz
230Va.c./50Hz
N
L
+U
C/D
GND
Vin
LOCK
SUPPLY
+U
C/D
GND
Vout
AUX
,
BAT
+
-
max. 42Ah/12V
Fam 1

Related product manuals