EasyManua.ls Logo

Electra Touch Line Series - Page 8

Electra Touch Line Series
10 pages
Print Icon
To Next Page IconTo Next Page
To Next Page IconTo Next Page
To Previous Page IconTo Previous Page
To Previous Page IconTo Previous Page
Loading...
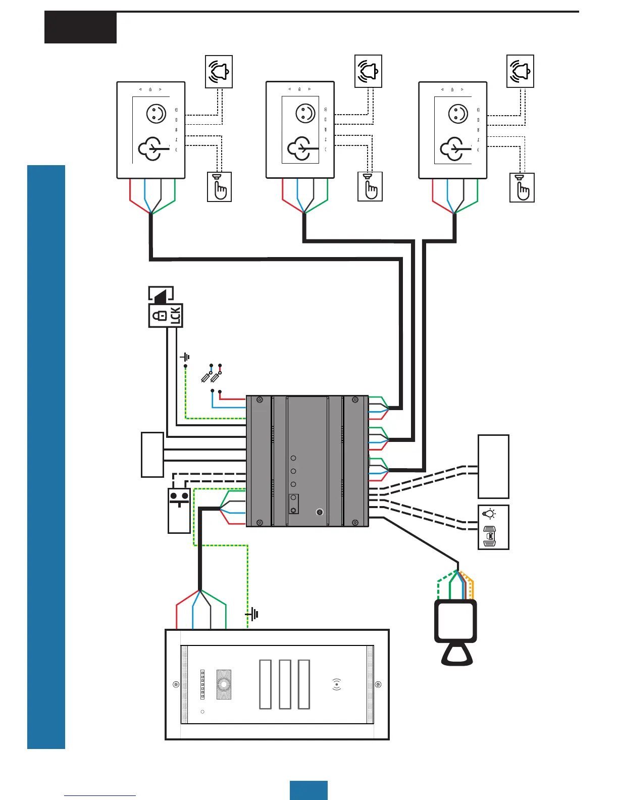
9
7
+U
C/D
GND
Vin
GONG 2
GONG 1
DBL 1
DBL 2
Doorbell
GONG 2
GONG 1
DBL 1
DBL 2
Doorbell
+U
C/D
GND
Vin
Fam. 3
(Adr. 3)
Fam. 2
(Adr. 2)
GONG
GONG
Vout2
GNV
GND
+U
SCU
+U
PROG
BAT 110/230V
OUT1
+U
C/D
GND
Vout
Vcam
OUT2 OUT3
+U
C/D
GND
Vout
+U
C/D
GND
Vout
VPM (Adr. 1)
GONG 2
GONG 1
DBL 1
DBL 2
Doorbell
+U
C/D
GND
Vin
Fam. 1
(Adr. 1)
GONG
EN
AUX
,
BAT
+
-
max. 42Ah/12V
LCK
max. 24Va.c./24Vd.c.
EXIT
S1: 2x6Aa.c.
110Va.c./50Hz
230Va.c./50Hz
N
L
+U
C/D
GND
Vin
LOCK
SUPPLY
+U
C/D
GND
Vout
Fam 2
Fam 1
Fam 3

Related product manuals