EasyManua.ls Logo

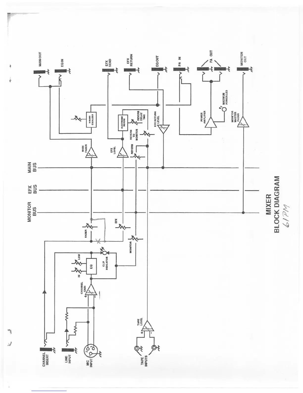
Electro-Voice 61PM - Block Diagram

Electro-Voice 61PM
22 pages
Print Icon
To Next Page IconTo Next Page
To Next Page IconTo Next Page
To Previous Page IconTo Previous Page
To Previous Page IconTo Previous Page
Loading...

Related product manuals