EasyManua.ls Logo

Electrolux HSG Panini - Explanation on Software Settings US Version (U202-U208)

Electrolux HSG Panini
64 pages
Print Icon
To Next Page IconTo Next Page
To Next Page IconTo Next Page
To Previous Page IconTo Previous Page
To Previous Page IconTo Previous Page
Loading...
8/38
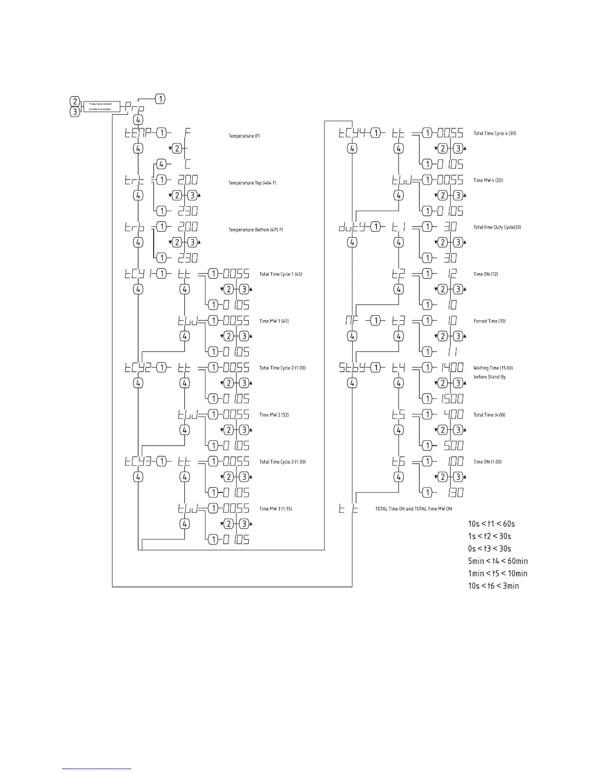
Explanation on software settings US Version (U202-U208)