EasyManua.ls Logo

Electrolux MCC4060E - Schematics; Oven Schematic - OFF Condition (Plugged In)

Electrolux MCC4060E
43 pages
Print Icon
To Next Page IconTo Next Page
To Next Page IconTo Next Page
To Previous Page IconTo Previous Page
To Previous Page IconTo Previous Page
Loading...
SOI 12.06 FV 39/43 599 37 42-75
SCHEMATICS
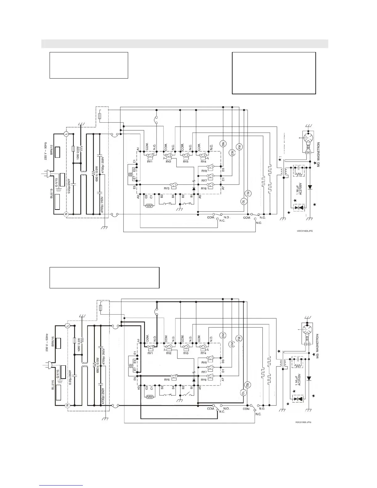
Figure O-1(a) Oven Schematic-OFF Condition right after the oven is plugged in.
Figure O-1(b) Oven Schematic-OFF Condition when the oven door is opened.
SCHEMATIC
NOTE:CONDITION OF OVEN
1. DOOR CLOSED
2. PLUGGED IN OVEN.
3. NOTHING APPEARS ON DISPLAY.
Note:
AC CORD CONNECTION
BRN: BROWN
BLU: BLUE
G-Y: GREEN AND YELLOW STRIPE
/15: SECTION AREA OF 1.5mm
2
MIN.
Indicates components with potential
above 250V.
SCHEMATIC
NOTE:CONDITION OF OVEN
1. DOOR CLOSED
2. “SELECTED LANGUAGE” APPEARS ON DISPLAY.
TC2 : GRILL
THERMAL
CU
T-
O
FF
SW1 : MONITORED LATCH SWITCH
TC1 : MAG
THERMAL
CUT
-
OFF
NOISE SUPRESSION COIL
EARTH
THERMISTOR
SW4:
DAMPER
SWITCH
SW2:
STOP
SWITCH
CONTROL
UNIT
T/C TRANSFORMER
NOISE
FILTER
F2:FUSE
F8A
TC3:
CONV.
THERMO
CUT
-
OUT
LIVE
NEUTRAL
DAMPER MOTOR
CONVECTION MOTOR
FAN MOTOR
TURNTABLE MOTOR
CH: CONVECTION HEATING ELEMENT
GH: GRILL HEATING ELEMENTS
C: CAPACITOR
H.V. RECTIFIER
OVEN LAMP
SW3: MONITOR
SWITCH
ASYMMETRIC
RECTIFIER
T: HIGH VOLTAGE
TRANSFORMER
F1: FUSE 20A
TC2 : GRILL
THERMAL
CUT
-
OFF
SW1 : MONITORED LATCH SWITCH
TC1 : MAG
THERMAL
CUT
-
OFF
NOISE SUPRESSION COIL
EARTH
THERMISTOR
SW4:
DAMPER
SWITCH
SW2:
STOP
SWITCH
CONTROL
UNIT
T/C TRANSFORMER
NOISE
FILTER
F2:FUSE
F8A
TC3:
CONV.
THERMO
CUT
-
OUT
LIVE
NEUTRAL
DAMPER MOTOR
CONVECTION MOTOR
FAN MOTOR
TURNTABLE MOTOR
CH: CONVECTION HEATING ELEMENT
GH: GRILL HEATING ELEMENTS
C: CAPACITOR
H.V. RECTIFIER
OVEN LAMP
SW3: MONITOR
SWITCH
ASYMMETRIC
RECTIFIER
T: HIGH VOLTAGE
TRANSFORMER
F1: FUSE 20A

Related product manuals