EasyManua.ls Logo

Electrolux MCC4060E - Pictorial Wiring Diagram

Electrolux MCC4060E
43 pages
Print Icon
To Previous Page IconTo Previous Page
To Previous Page IconTo Previous Page
Loading...
SOI 12.06 FV 43/43 599 37 42-75
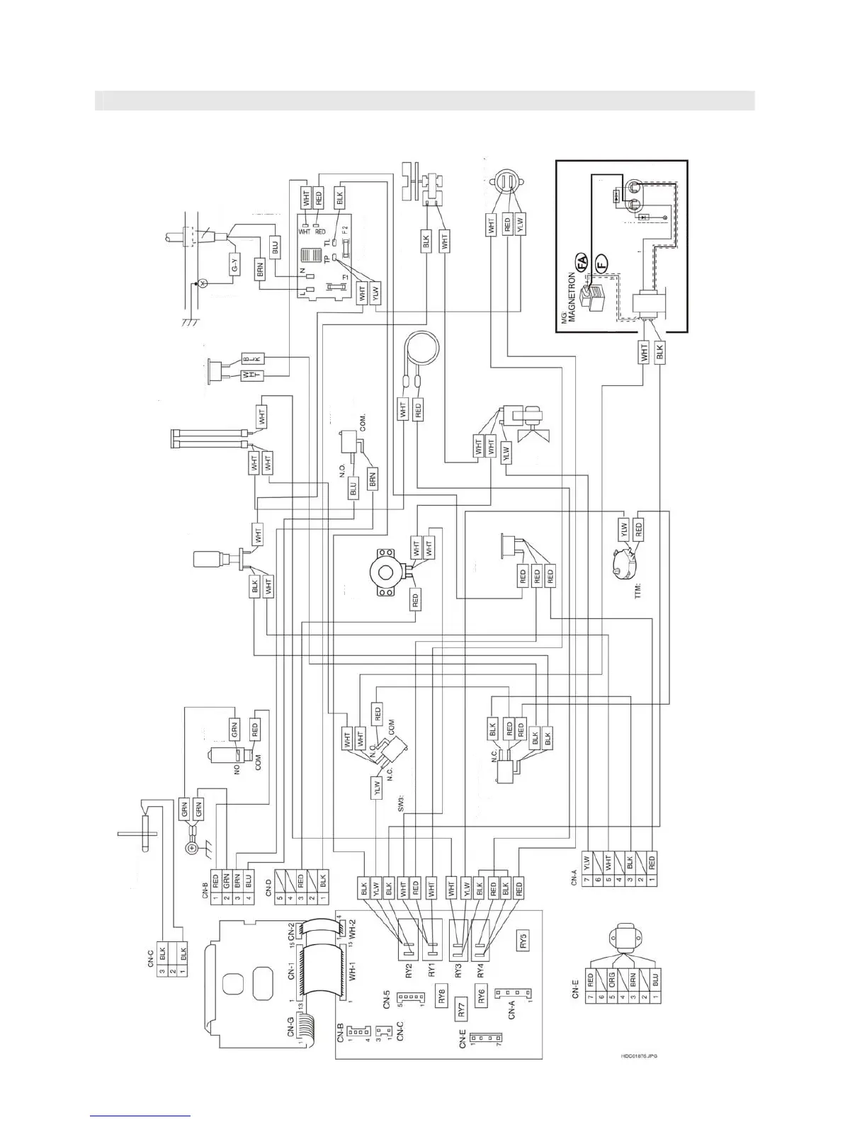
PICTORIAL
T: HIGH VOLTAGE
TRANSFORMER
C: H.V.
CAPACITOR
HIGH VOLTAGE COMPONENTS
ASYMETRIC
RECTIFIER
POWER SUPPLY
CORD
TC2:
THERMAL
CUT-OUT
(
GRILL
)
MONITOR
SWITCH
OL:
OVEN LAMP
NEUTRAL
LIVE
EARTH
GH: GRILL
HEATING ELEMENT
NOISE FILTER
CM: CONVECTION
MOTOR
TC3: THERMAL
CUT-OUT(CONV.)
SW1: MONITORED
H.V. RECTIFIER
Black Tube
Red wire
Lon
g
Black Tube
SW4:
DAMPER
SWITCH
DM:
DAMPER
MOTOR
CH: CONVECTION
HEATING ELEMENT
FM:
FAN
MOTOR
TC1:
THERMAL
CUT-OUT
(
MAG
)
TURNTABLE
MOTOR
LATCH
SWITCH
SW2:
STOP
SWITCH
THERMISTOR
CONTROL PANEL
TC1:
TRANSFORMER

Related product manuals