EasyManua.ls Logo

Elenco Electronics EP-50 - Experiment #7: Slow Light Bulb

Elenco Electronics EP-50
72 pages
Print Icon
To Next Page IconTo Next Page
To Next Page IconTo Next Page
To Previous Page IconTo Previous Page
To Previous Page IconTo Previous Page
Loading...
-19-
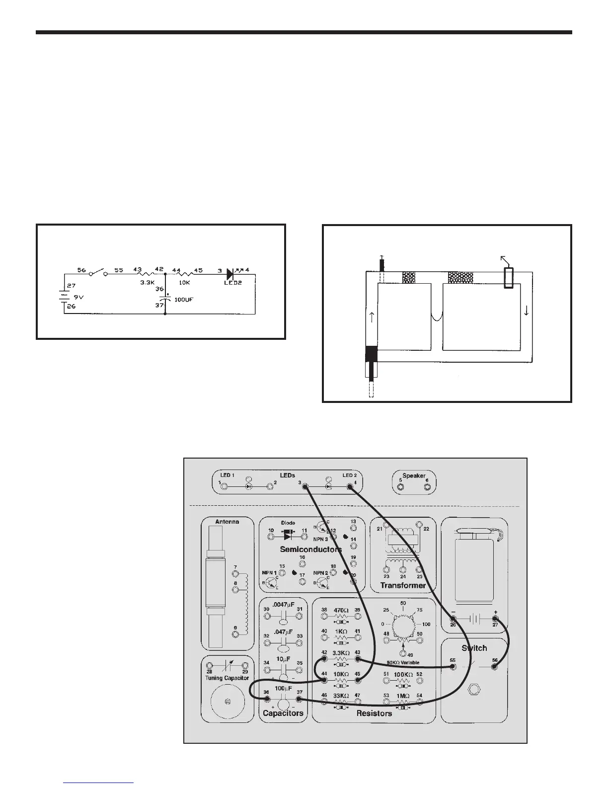
Connect the wires according to the Wiring Checklist and
press the switch several times. You can see it takes time
to charge and discharge the large capacitor because the
LED lights up and goes dim slowly. Replace the 3.3KW
resistor with the 1KW resistor; now the charge time is
faster but the discharge time is the same. Do you know
why? When the switch is closed the battery charges the
capacitor through the 1KW resistor and when the switch
is opened the capacitor discharges through the 10KW,
which has remained the same. Now replace the 100mF
capacitor with the 10mF. Both the charge and discharge
times are now faster since there is less capacitance to
charge up. If you like you may experiment with different
resistors in place of the 1KW and 10KW. If you observe
the LED carefully, you might start to suspect the
relationship between the component values and the
charging and discharging times - the charge/discharge
times are proportional to both the capacitance and
the resistance in the charge/discharge path!
A simple circuit like this is used to slowly light or darken
a room, such as a movie theater.
EXPERIMENT #7: Slow Light Bulb
Wiring Checklist:
o 27-to-56
o 55-to-43
o 36-to-44-to-42
o 45-to-3
o 37-to-26-to-4
Water Diagram
On/Off
Valve
Rubber
Diaphragm
Rocks
Pump
Schematic
Rocks
Water
Meter

Table of Contents

Related product manuals