EasyManua.ls Logo

ELGi EG 22 - Page 20

ELGi EG 22
60 pages
Print Icon
To Next Page IconTo Next Page
To Next Page IconTo Next Page
To Previous Page IconTo Previous Page
To Previous Page IconTo Previous Page
Loading...
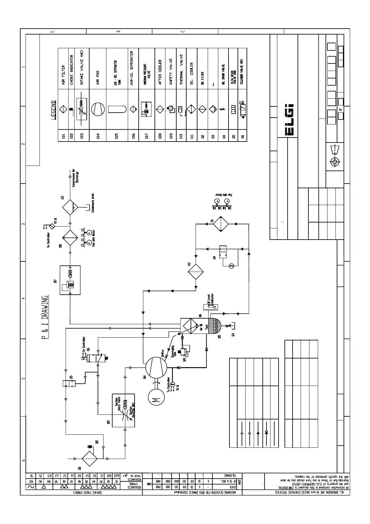
LEGEND
Air Line
Air/Oil Line
Pulse Line
Oil Line
Envelope Line
PIPE SIZE
1/4 inch
3/4 inch
2 inch
1 inch
-
INSTRUMENT
TAG NO
TEMPERATURE SENSOR
LOCATION
separator
on intake valve
After Air end
DESCRIPTION
TS01
PS01
116
PRESSURE SENSOR
SOLENOID VALVE (NC)
RANGE
0-150° C
4 - 16 bar
220 V AC - NC
SCALE
REF.DRG.No.
NAME DATE
CAD
CHECKED
MODEL.
MATERIAL
DATEECO.No.REV. NO. DESCRIPTION
R
CHKD. BY
ALT. BY
REMARKS
Rev.DESCRIPTION
A
B
ELGI EQUIPMENTS LTD.,
COIMBATORE - INDIA.
REVISIONDRG.SHEET
DRG.No.
NEXT ASSY.
Sl.No.
APPROVED
Qty.
DRAWING No.
-
EG 11,15,18,22 (USA & BRAZIL)
KVV
NTS
0 1
5 3 1 5 5 7
8
0
1
2 2
:
- CRITICAL CHARACTERISTIC (SAFETY/REGULATORY)
- SIGNIFICANT CHARACTERISTIC (FIT/FORM/FUNCTION/FINISH)
:
WEIGHT
22.09.16
SS
PMD
23.01.17
23.01.17
GA DRAWING-EG SERIES
C AND CV
After moisture

Related product manuals