EasyManua.ls Logo

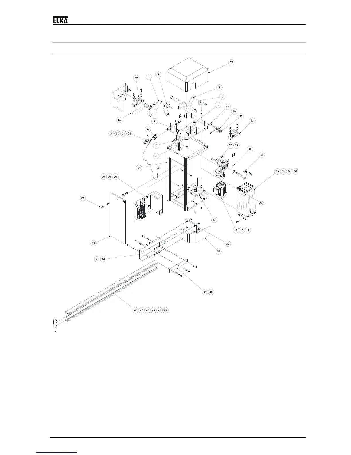
Elka ES 50 - 17 Layout (Exploded Drawing); Layout es 50 - 80

Elka ES 50
46 pages
Print Icon
To Next Page IconTo Next Page
To Next Page IconTo Next Page
To Previous Page IconTo Previous Page
To Previous Page IconTo Previous Page
Loading...
ES 50 – ES 80
43
17 Layout (exploded drawing)
17.1 Layout ES 50 - 80
Drawing 23

Table of Contents

Related product manuals