EasyManua.ls Logo

ELMECO FC2 - Millennium Electric System

Default Icon
28 pages
Print Icon
To Next Page IconTo Next Page
To Next Page IconTo Next Page
To Previous Page IconTo Previous Page
To Previous Page IconTo Previous Page
Loading...
- 21 -
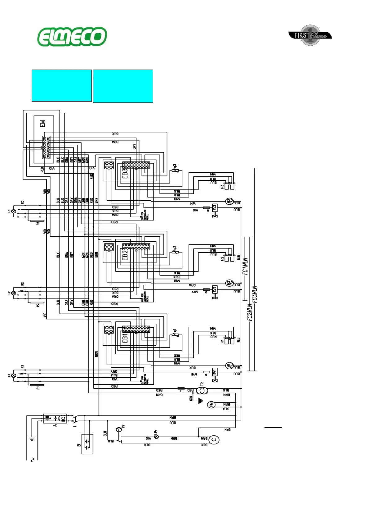
Millennium
Electric
System


1: Main switch
Pr: Pressure switch
LPr: Pressure switch light
C: Compressor
FM: Fan motor
TR: Transformer
7: Fuse 5x20 (2A-20VA/5A-60VA)
9: Fuse 5x20 mm F315mA
EV1-2-3: Solenoid valve
M1-2-3: Gear motor
EB1-2-3: Electronic board
EM: Machine module
H1-2-3: Magnetic or Optical reader
L1-2-3: Top light
P1-2-3: Level probe
R1-2-3: Heating element 100Kohm-
0.25W
A: Suppressor filter (230V/50HZ)
q1-2-3: Thermostat
B: Phase advancing condenser
(FC3 120V/60HZ)
1: 
Pr:






7:  x 20 (2 
 )
9:  x 20  mA
 Solenoid








 Kohm-0
25 


 )
q 1-2-3: 



)
Colors
BRN Brown 
BLU Blue 
GRN Yellow-Green 
RED Red 
BLK Black 
WHI White 
GRY Grey 
VIO Purple 
ORA Orange 

Related product manuals