EasyManua.ls Logo

Emerson 3401 - Page 112

Emerson 3401
200 pages
Print Icon
To Next Page IconTo Next Page
To Next Page IconTo Next Page
To Previous Page IconTo Previous Page
To Previous Page IconTo Previous Page
Loading...
Menu 8 Introduction
Parameter
x.00
Parameter
description format
Keypad and
display
Serial
communications
CT Modbus
RTU
PLC Ladder
programming
CTSoft Menu 0
Advanced parameter
descriptions
112 Commander SK Advanced User Guide
www.controltechniques.com Issue Number: 9
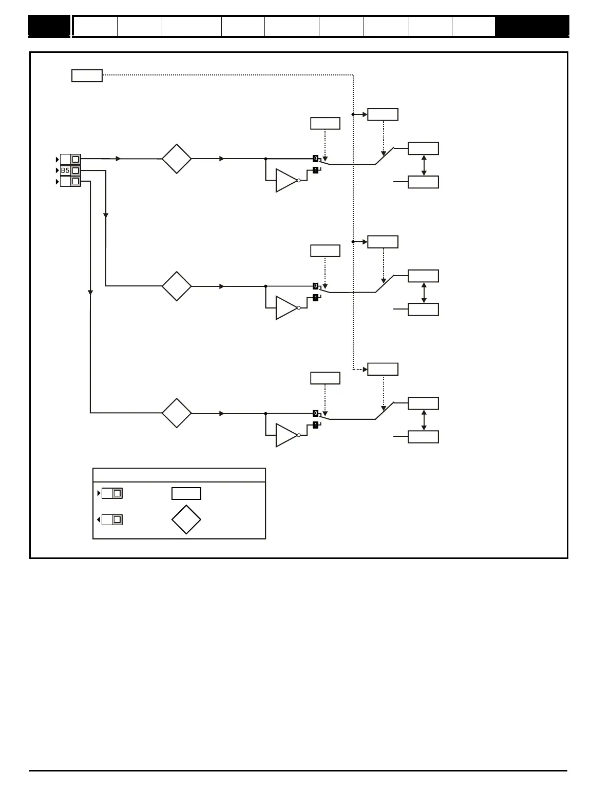
Figure 10-20 Menu 8C logic diagram
Terminal B5
digital input state
Terminal B4
digital input state
8.12
Invert
8.22
0.00
21.51
6.04
8.13
Invert
8.23
0.00
21.51
Terminal B5
digital input
destination
XX
XX
Key
Read-write
(RW)
parameter
Read-only (RO)
parameter
Input
terminals
Output
terminals
XX
XX
The parameters are all shown at their default settings
B6
B4
8.02
8.03
Terminal B6
digital input state
8.04
Start/Stop logic
Terminal B4
digital input
destination
8.14
Invert
8.24
0.00
21.51
Terminal B6
digital input
destination
Default destination
(Eur) Hardware enable
(USA) /Enable hardware
(Defined by )
6.29
6.29
6.04
Default destination
(Eur) Run forward
(USA) Run
(Defined by )
6.30
6.34
6.04
Default destination
(Eur) Run reverse
(USA) Jog
(Defined by )
6.32
6.31
6.04

Table of Contents

Related product manuals