EasyManua.ls Logo

Emerson 3401 - Page 85

Emerson 3401
200 pages
Print Icon
To Next Page IconTo Next Page
To Next Page IconTo Next Page
To Previous Page IconTo Previous Page
To Previous Page IconTo Previous Page
Loading...
Introduction
Parameter
x.00
Parameter
description format
Keypad and
display
Serial
communications
CT Modbus
RTU
PLC Ladder
programming
CTSoft Menu 0
Advanced parameter
descriptions
Menu 6
Commander SK Advanced User Guide 85
Issue Number: 9 www.controltechniques.com
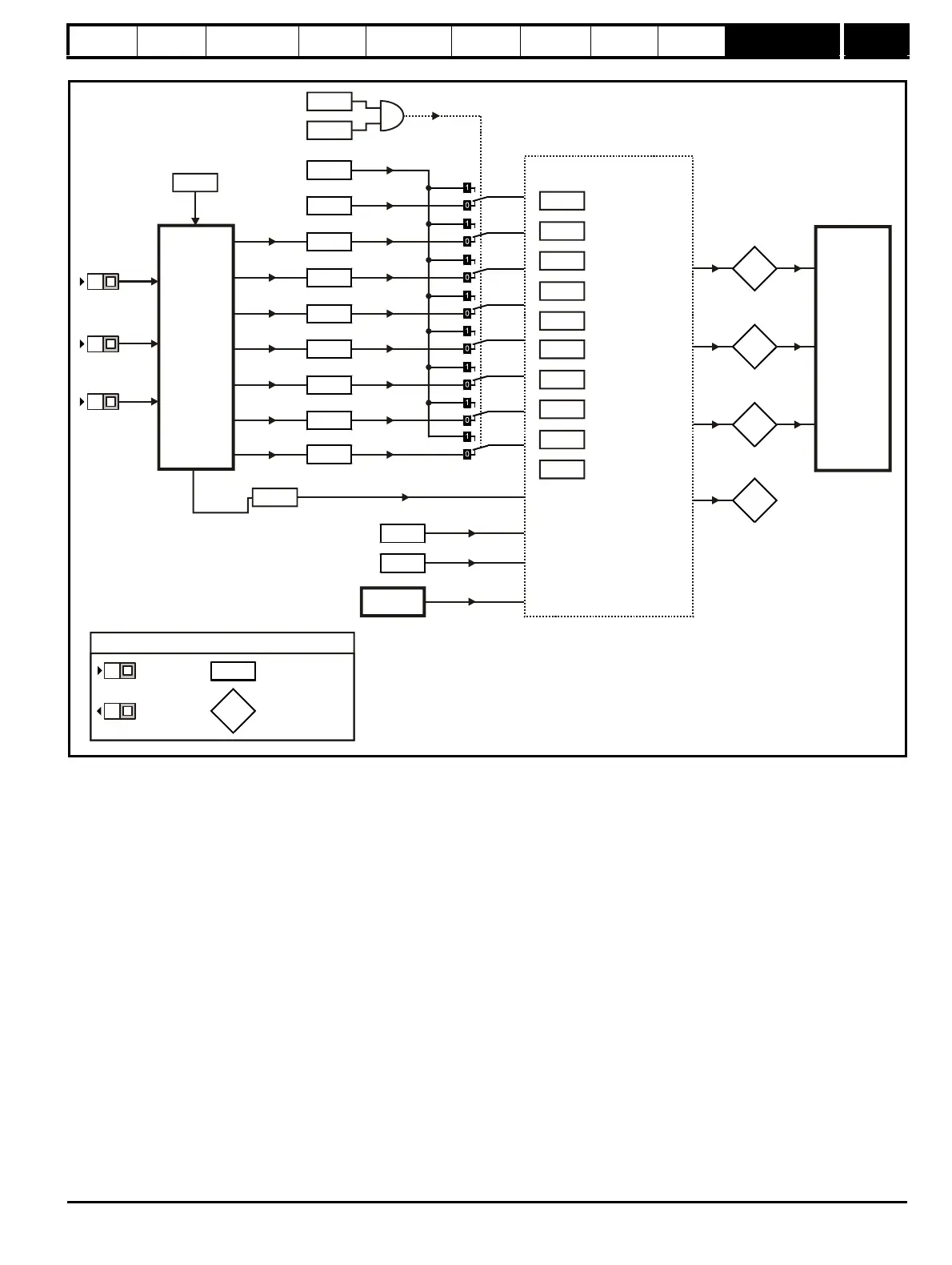
Figure 10-14 Menu 6A logic diagram
6.15
6.30
6.31
6.32
6.33
6.42
6.34
6.37
1.11
Reference
enabled indicator
1.12
Reverse
selected indicator
1.13
Jog selected
indicator
6.42
Jog reverse
Run
Forward / Reverse
Run reverse
Jog forward
Run forward
Drive enable
Control word
Control word bit
7 auto/manual
6.35
6.36
Reverse limit switch
Forward limit switch
6.29
Hardware
enable
Menu 8
6.04
Start/stop
logic select
Sequencer
6.01
6.03
6.06
6.07
6.09
Stop mode
Mains loss
mode
Injection braking
level
Injection braking
time
Catch a spinning
motor
6.39
/Stop
B5
B6
B4
6.43
Control word
enable
&
6.10
6.13
6.14
6.40
6.45
Low DC bus
operation
Function key
mode
Disable auto reset
on enable
Enable sequencer
latching
Force cooling fan
to run at full speed
Menu 6B
10.02
Drive running
Menu 1B
XX
XX
Key
Read-write (RW)
parameter
Read-only (RO)
parameter
Input
terminals
Output
terminals
XX
XX

Table of Contents

Related product manuals