EasyManua.ls Logo

Emerson Copeland Scroll ZR KA Series - Page 15

Emerson Copeland Scroll ZR KA Series
18 pages
To Next Page IconTo Next Page
To Next Page IconTo Next Page
To Previous Page IconTo Previous Page
To Previous Page IconTo Previous Page
Loading...
AE4-1312 R2
© 2010 Emerson Climate Technologies
Printed in the U.S.A.
15
Non-Bleed
TXV
Non-Bleed
TXV
Other (1)
Other (1)
Not
Required
Not
Required
Other (1)
Required
Required
Not
Required
Not
Required
Required
Not
Required
Required
Required
Not
Required
Required
Required
Required
Other (1)
Nominal
System
Charage
(2)
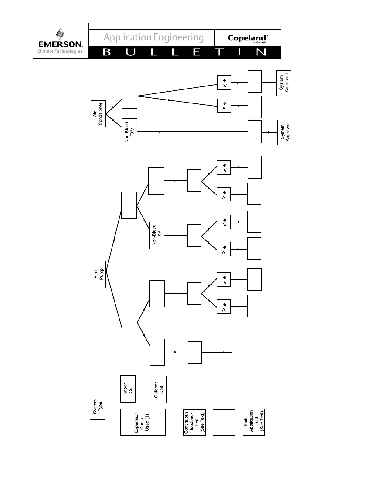
Table 1
Scroll Compressor Application Diagram
(1) “Other” includes bleed-type TXVs, capillary tubes, and xed orices.
(2) “Nominal System Charge” is dened as the design charge for a system.
Note: See text for crankcase heater requirements.
*120% Times Compressor refrigerant charge limit in Table 5.
**
*
*
*
*
*
*
*
*
*

Related product manuals