EasyManua.ls Logo

Emerson THUM - Page 16

Emerson THUM
48 pages
Print Icon
To Next Page IconTo Next Page
To Next Page IconTo Next Page
To Previous Page IconTo Previous Page
To Previous Page IconTo Previous Page
Loading...
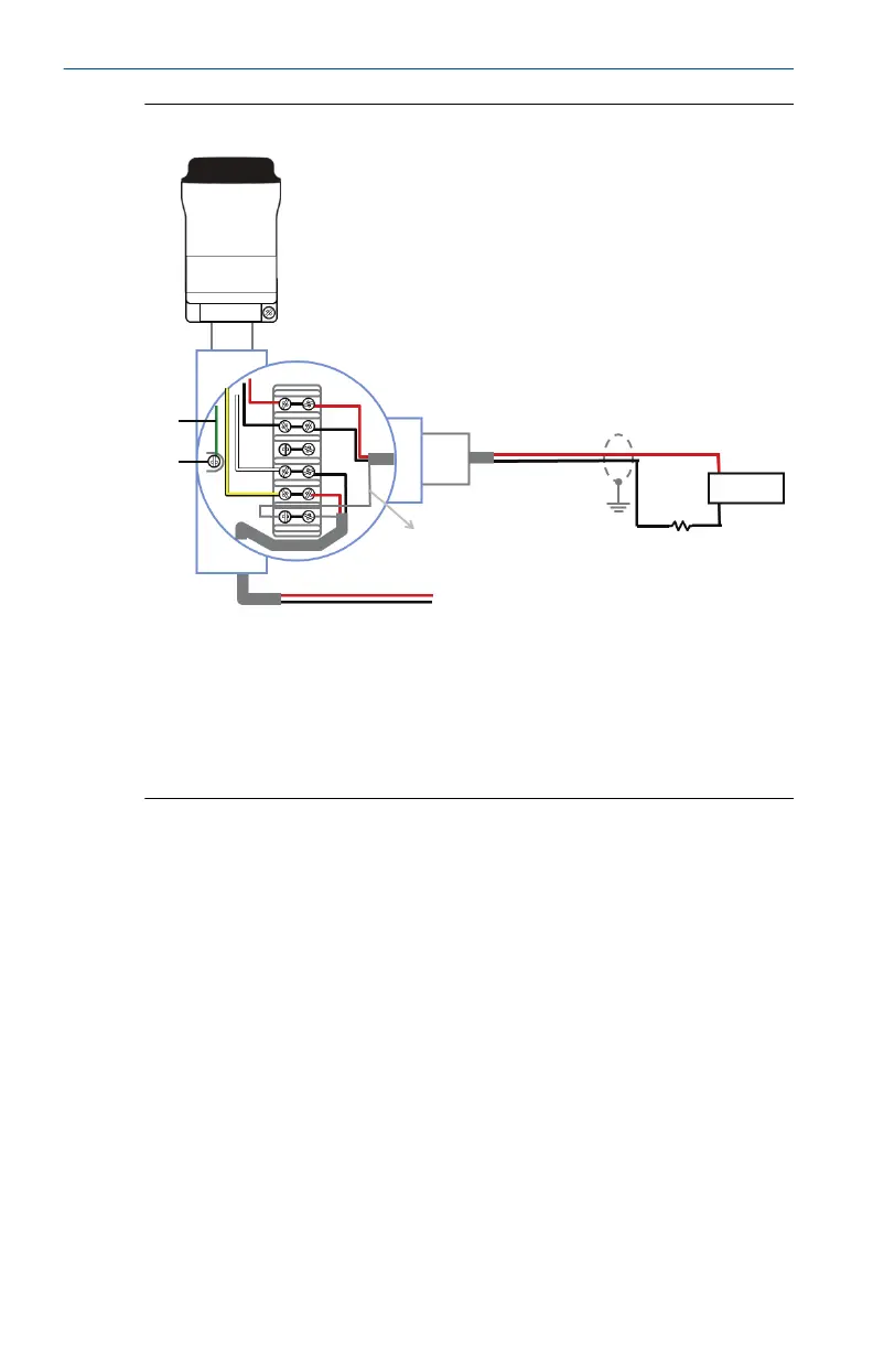
Figure 6-6: Remote Mount Wiring Diagram for 4-Wire Passive Device
A
B
Green
C
D
+ COMM
- COMM
4 -20 mA Loop +
4 -20 mA Loop -
To Wired Device
E
F
+
-
A. THUM Adapter
B. Remote mount housing
C. Ground
D. Shield wire
E. Load resistor ≥ 250 Ω
F. Power supply
Quick Start Guide September 2020
16 Emerson.com/Rosemount