EasyManua.ls Logo

Emerson U40310001 - Page 38

Emerson U40310001
208 pages
Print Icon
To Next Page IconTo Next Page
To Next Page IconTo Next Page
To Previous Page IconTo Previous Page
To Previous Page IconTo Previous Page
Loading...
G1
G2
G3
G4
H1
H2
H3
H4
I1
I2
I3
I4
J1
J2
J3
J4
K1
K2
K3
K4
L1
L2
L3
L4
DVD AUDIO SIGNAL
PB AUDIO SIGNAL
DVD VIDEO + PB VIDEO SIGANL
REC AUDIO SIGNAL
REC VIDEO SIGNAL
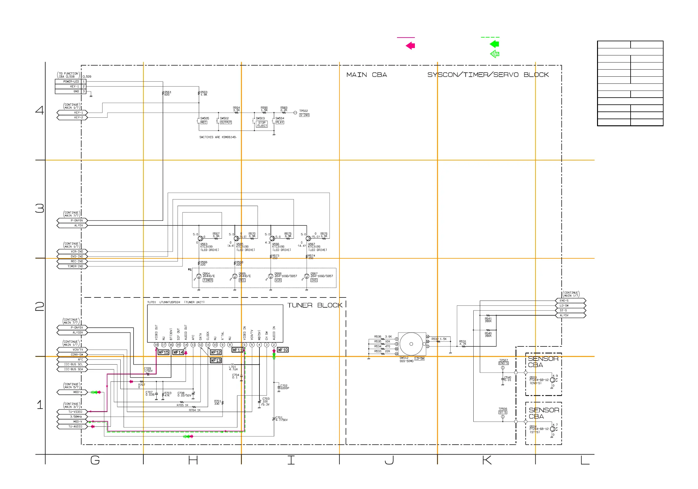
Main 2/7 Schematic Diagram < VCR Section >
1-11-5
1-11-6
H94X1SCM2
Note:
When it is necessary to replace one or more of the following Diodes,
all four should be replaced: D564, D565, D566, D567.
*
1
MAIN 2/7
Ref No. Position
Q563 H-3
Q565 H-3
Q566 I-3
Q567 I-3
CL509 G-4
TP502 I-4
TP506 K-1
TP507 K-1
TEST POINTS
CONNECTOR
TRANSISTORS