EasyManua.ls Logo

Emos T80 - Tehniskie Parametri

Emos T80
16 pages
Print Icon
To Next Page IconTo Next Page
To Next Page IconTo Next Page
To Previous Page IconTo Previous Page
To Previous Page IconTo Previous Page
Loading...
15
(Piem., funkcija = „Uzkaršana”).
• Skava C un 2 = atvērējs
4. Termostats tiks aizvērts, temperatūrai pieaugot, un tiks atvērts, temperatūrai krītot.
(Piem., funkcija = „Atdzišana.)
• Skava = Zemēšana
Uzstādīšanu atļauts veikt vienīgi profesionāliem apsildīšanas tehniķiem un vienīgi saskaņā ar savienošanas plānu.+
Uzstādīšanai jāatbilst spēkā esošajiem VDE noteikumiem un elektroenerģijas piegādātāja norādītajiem parametriem.
Uzstādīšana vienmēr jāveic pēc elektropadeves atslēgšanas. Jāievēro visi drošības noteikumi.
Ievērojiet tehniskajos parametros norādīto maksimālo ieslēgšanas strāvu!
Mūsu uzņēmums neuzņemas atbildību par neprofesionālu uzstādīšanu.
Tehniskie parametri
Darbības spriegums: 230 V AC 50 Hz, 400 V AC 50 Hz
Kontakts: 1 pārslēdzējkontakts
Pārslēgšanas strāva: 16 (4) A – 230 V, 6 (1) A – 400 V
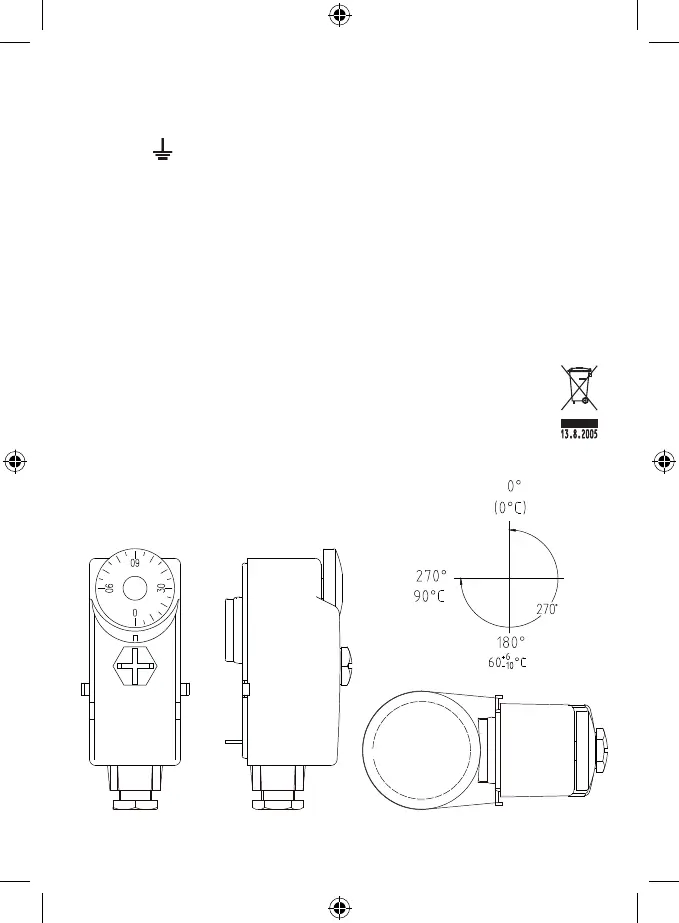
Temperatūras kontroles diapazons: 0 °C – 90 °C
Sensora iekārta: šķidrais sensors
Pārklājums: IP40
Šim izstrādājumam ir izsniegta atbilstības deklarācija.
Šo ierīci nav atļauts lietot personām (tostarp bērniem) ar ierobežotām ziskajām, maņu vai garīgajām
spējām, vai personām, kurām trūkst pieredzes vai zināšanu, kas varētu nodrošināt drošu ierīces lietošanu,
ja vien par šo personu drošību atbildīgā persona nenodrošina uzraudzību vai nesniedz norādes par ierīces
drošu lietošanu. Nepieciešama bērnu uzraudzība, lai nepieļautu rotaļāšanos ar ierīci.
Kad to darba dzīves cikls ir beidzies, neizmetiet izstrādājumu vai baterijas nešķirotos komunālajos atkritumos.
Šim nolūkam izmantojiet atkritumu šķirošanas un savākšanas punktus.

Related product manuals