EasyManua.ls Logo

EMX KPX-100 - Wiring Connections Guide; Power and Output Terminals; Input and Control Terminals

EMX KPX-100
9 pages
Print Icon
To Next Page IconTo Next Page
To Next Page IconTo Next Page
To Previous Page IconTo Previous Page
To Previous Page IconTo Previous Page
Loading...
EMX Industries, Inc. Tech support: 216-518-9889 2/9
Document No.10579100 Rev 2.5 technical@emxinc.com
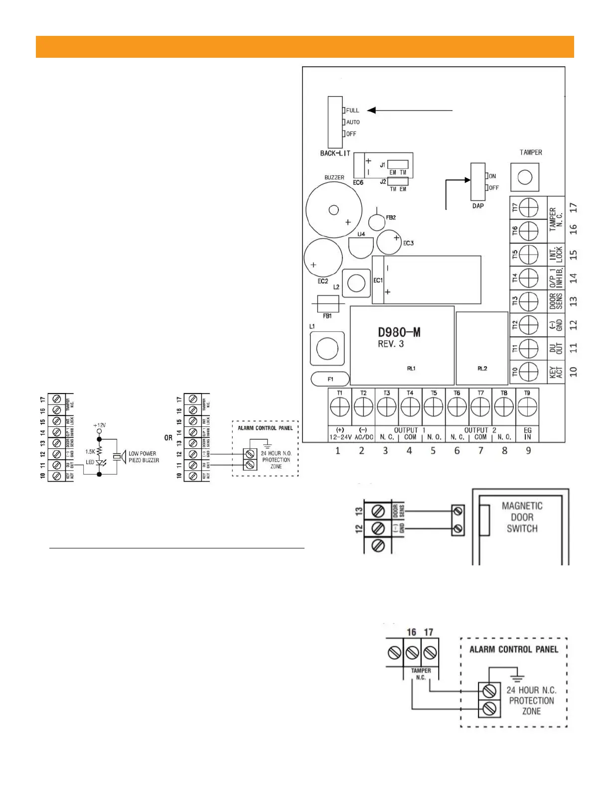
Wiring Connections
1. Power (+): 12-24 VDC/AC
2. Power (-): 12-24 VDC/AC
3. Output 1: N.C. (normally closed contact)
4. Output 1: COM (common contact)
5. Output 1: N.O. (normally open contact)
6. Output 2: N.C. (normally closed contact)
7. Output 2: COM (common contact)
8. Output 2: N.O. (normally open contact)
9. Egress Input:
N.O. (normally open) input terminal.
More than one button can be connected in parallel.
Leave this terminal open if not in use.
10. Keypad Active Output:
This is an NPN transistor open collector output
with a maximum rating of 100mA sink and 24V DC.
It switches to ground for 10 seconds after
each key stroke. It is often used to turn on lights,
CCTV cameras or buzzers.
11. Duress Output:
This is an NPN transistor open collector output
with a maximum rating of 100mA sink and 24V DC.
It switches to ground after a duress key has been
entered. It is often used to trigger an alarm,
an auto dialer, or a buzzer.
12. Common Ground
13. Door Position Sensor Input:
N.C. (normally close) input terminal. See door sensor
wiring diagram to the right.
Always connect terminal 13 to ground if not in use.
14. Output 1 Inhibit:
N.O. (normally open) input terminal. Both relay 1 user keys and
egress button cannot activate output 1 while this terminal is tied to
ground. It is used in cross wire connections for inter-lock applications.
15. Inter-Lock Control Output:
This is an NPN transistor open collector output. It switches to ground for
the first 5 seconds after a valid user key is entered or after the egress
button is pressed. Use this output to control other keypads in inter-lock
applications.
16. & 17. Tamper N.C.:
N.C. (normally closed) contact while the keypad is secured in the housing.
It opens when the keypad is separated from the housing. To prevent
tampering connect this N.C. terminal to an alarm. See wiring diagram
to the right.
Back Lighting
Jumper
(see page 3 bottom)
D.A.P. Jumper
(see table page 7)

Related product manuals