EasyManua.ls Logo

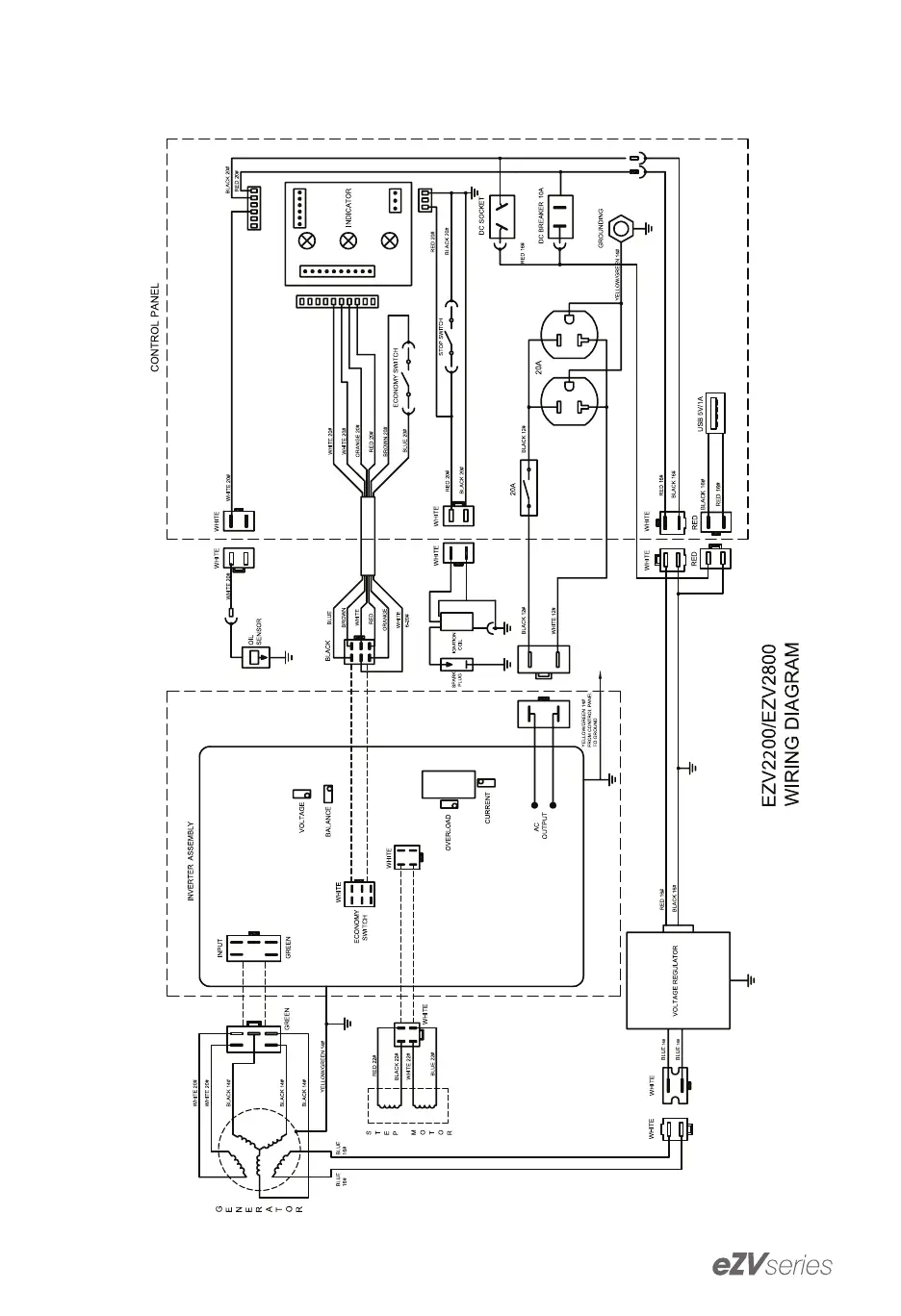
Energizer EZV2000 - Wiring Diagram; EZV2200;EZV2800 Wiring Diagram

Energizer EZV2000
88 pages
Print Icon
To Next Page IconTo Next Page
To Next Page IconTo Next Page
To Previous Page IconTo Previous Page
To Previous Page IconTo Previous Page
Loading...
33
Chapter 8- Wiring Diagram

Related product manuals