EasyManua.ls Logo

Energizer EZV2000 - Specifications; Diagramme du Câblage

Energizer EZV2000
88 pages
Print Icon
To Next Page IconTo Next Page
To Next Page IconTo Next Page
To Previous Page IconTo Previous Page
To Previous Page IconTo Previous Page
Loading...
33
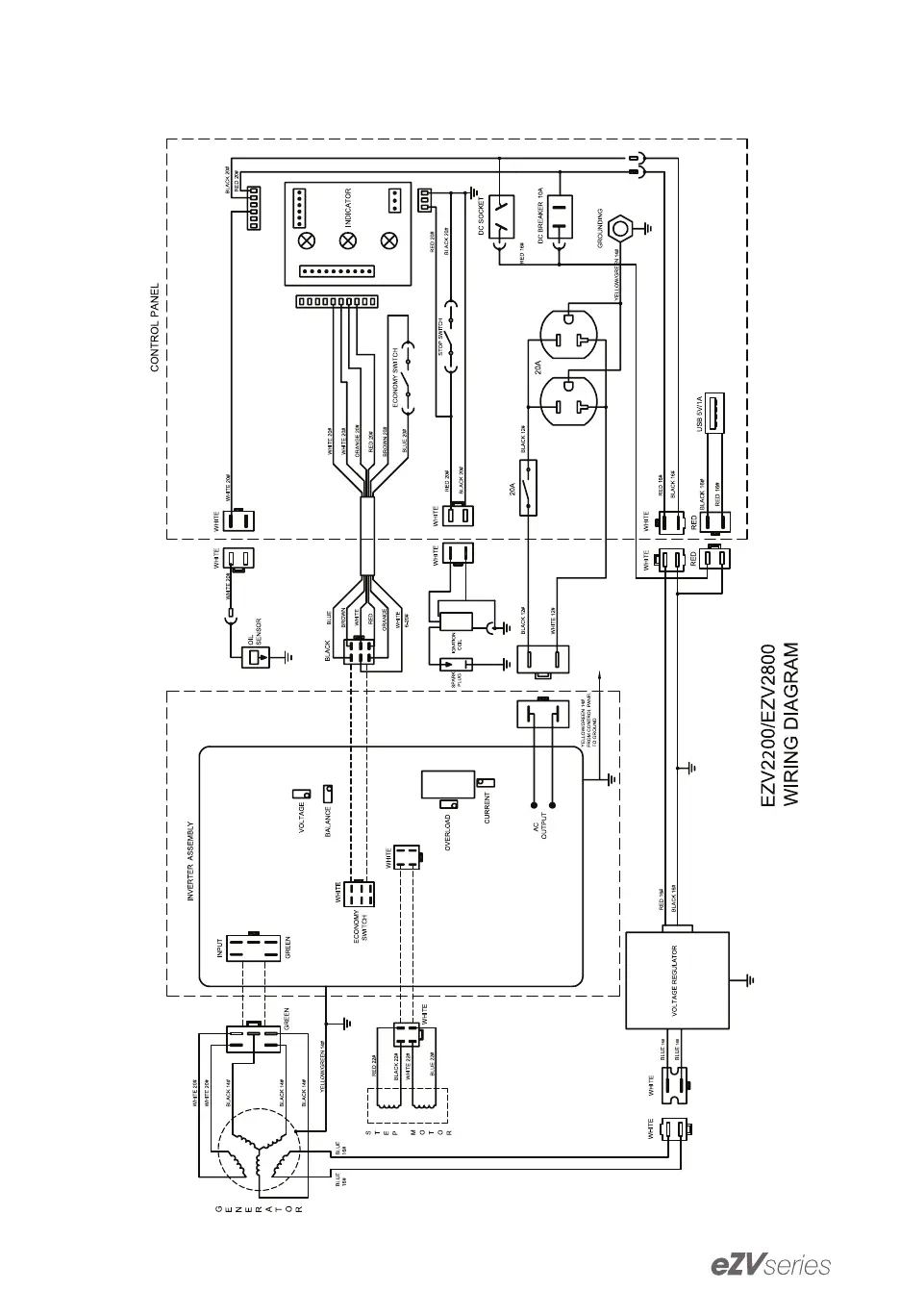
Chapter 8- Diagramme du câblage

Related product manuals