EasyManua.ls Logo

Englander 25-PDVC - Installation Diagrams; Floor and Wall Protection

Englander 25-PDVC
37 pages
Print Icon
To Next Page IconTo Next Page
To Next Page IconTo Next Page
To Previous Page IconTo Previous Page
To Previous Page IconTo Previous Page
Loading...
IMPORTANT! READ AND FOLLOW ALL INSTALLATION AND MAINTENANCE INSTRUCTIONS, INCLUDING
CLEANING THE UNIT AS SPECIFIED, AND REPLACING GASKETS ANNUALLY, AND PARTS AS NEEDED.
ENGLANDER IS NOT RESPONSIBLE FOR ANY DAMAGE OR INJURY INCURRED DUE TO NEGLECT, OR DUE TO
UNSAFE INSTALLATION OR USAGE OF THIS PRODUCT. CALL TECHNICAL SUPPORT WITH ANY QUESTIONS.
Floor Protection
If your floor is constructed of a non-combustible material such as brick or concrete, there is no need for
floor protection. If the floor is constructed of a combustible material such as hardwood, linoleum, or carpet, then
you will be required to use floor protection between the unit and the combustible. The protection should be U.L.
approved or equivalent (ULC if Canada) and must be large enough to provide a minimum of six inches (6or
152.4mm) on both sides of the stove and in the front of the unit. This floor protection is intended as spark and
ember protection only, therefore it need only be noncombustible (there is no required R value).
NOTE: Canada requires 450 mm floor protection in front and 200 mm to the sides & rear.
Wall Protection
Six inches (6” or 152.4mm) of clearance is required from the stove to a side wall, and three inches (3or
76.2mm) is required to the rear wall. However, be sure to follow the vent manufacturers clearances, as well.
See the stoves safety tag and call (877) 356-6663 with any questions.
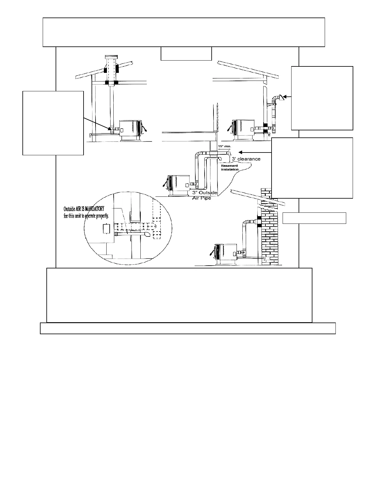
1. If 3” flue pipe exceeds 15’ in length, increase to 4” flue pipe for remaining flue connections.
2. Total flue length should not exceed 35’.
3. Horizontal run not to exceed 4’.
4. Floor protector must extend 6” from front and sides of the unit.
5. If the total run of outside air connection exceeds 6’, if more than 2 elbows are used, or if a
basement install, use 3metal pipe (and coupler) instead.
6. Outside Air is mandatory for proper safe operation.
Masonry Connection
Illustration 1
Freestanding Pellet Installation
Caution: Follow the pipe manufacturer’s installation instructions and directions for
passing through combustible walls and ceilings. Check local codes in your area.
Our Part AC-3000 is
acceptable for
through-the-wall
installation;
AC-3100 for 4000+
ft. installations.
(AC-33000 or AC-
33100 if Canada)
Must have minimum
3” adapter before tee
for longer run.
For shorter run
(such as Masonry
Connection below),
tee alone is
acceptable.
Basement Installation should
be performed by
professional installer. Use
3” metal pipe and coupler
for Outside Combustion Air.
Minimum 3 feet (3’)
clearance from ground to the
Pellet Vent Exhaust Pipe.
WARNING - INSTALL VENT AT CLEARANCES SPECIFIED BY THE VENT MANUFACTURER.