EasyManua.ls Logo

Englander 25-PDVC - Wiring Diagram

Englander 25-PDVC
37 pages
Print Icon
To Next Page IconTo Next Page
To Next Page IconTo Next Page
To Previous Page IconTo Previous Page
To Previous Page IconTo Previous Page
Loading...
IMPORTANT! READ AND FOLLOW ALL INSTALLATION AND MAINTENANCE INSTRUCTIONS, INCLUDING
CLEANING THE UNIT AS SPECIFIED, AND REPLACING GASKETS ANNUALLY, AND PARTS AS NEEDED.
ENGLANDER IS NOT RESPONSIBLE FOR ANY DAMAGE OR INJURY INCURRED DUE TO NEGLECT, OR DUE TO
UNSAFE INSTALLATION OR USAGE OF THIS PRODUCT. CALL TECHNICAL SUPPORT WITH ANY QUESTIONS.
CAUTION: Moving Parts May Cause Injury.
Do NOT Operate with Panel(s) Off.
DANGER: Parts May Be Hot. Risk of Electric Shock.
Disconnect Power Before Servicing Unit.
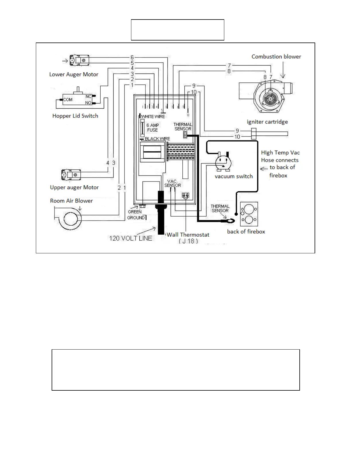
Illustration 4 PU-CB19
Control Board Wiring Diagram
IMPORTANT SAFETY NOTE: If the unit or chimney connector
pipe “glows” red (or white), the stove is over-fired. This condition
could cause a house or chimney fire. Do not operate your unit too
hot, or over-firing may result.