EasyManua.ls Logo

Envicool EIA Series - Wiring Diagram

Envicool EIA Series
31 pages
Print Icon
To Next Page IconTo Next Page
To Next Page IconTo Next Page
To Previous Page IconTo Previous Page
To Previous Page IconTo Previous Page
Loading...
Shenzhen Envicool Technology Co., Ltd.
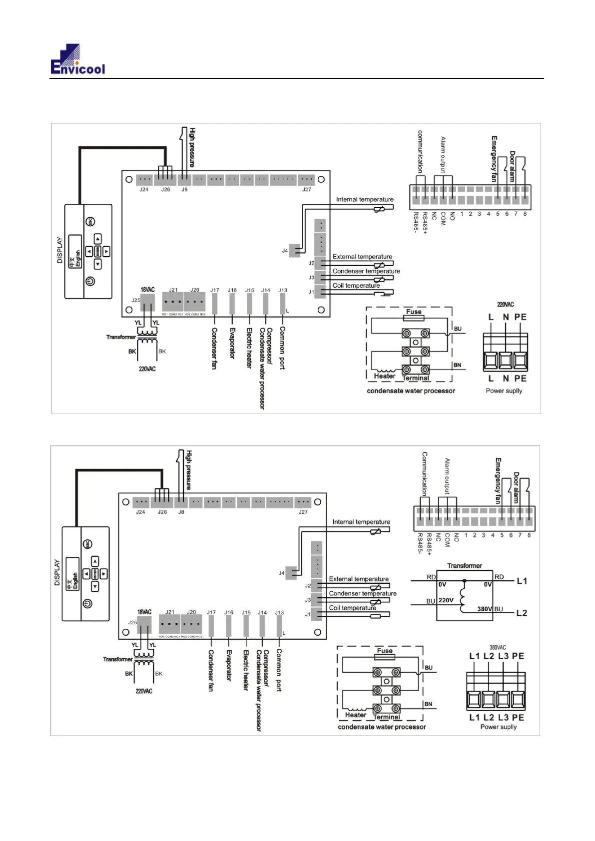
5.3 Wiring diagram
1) Air conditioners which apply to single phase power:
1) Air conditioners which apply to three phase power:
EIA series air conditioner user manual
16